AgroBox

Prodloužení 1-1/8 (6)

Parametry produktu

Číslo položky 672011KR
EAN 8716106343881
Jednotka Kus
Značka Kramp
Použití Aplikace poháněné kloubovým hřídelem
Vlastnosti
  • Max. 5 % bílé koroze po 72 hodinách testu v solné mlze dle ASTM B117-97
  • Dle bezpečnostní normy EN12965 není použití na straně traktoru přípustné
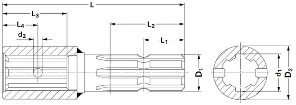
Počet drážek u připojení č. 1 6
d1Vnitřní průměr připojení č. 2 1-1/8 Inch
Počet drážek u připojení č. 2 6
LCelková délka 145 mm
Max. výkon 30 kW
Materiál Ocel S355
Poznámka Lze použít jen na straně stroje, ne jako vývodová hřídel traktoru. kW

523,51 Kč s DPH

432,65 Kč bez DPH

Skladem