AgroBox

Přídavné řídicí ventily typ SVA14718

Parametry produktu

Výhody
Těsnění pomocí šoupátka zajišťuje mimořádně nízkou úroveň úniku při vysokém zatížení
Podrobnosti
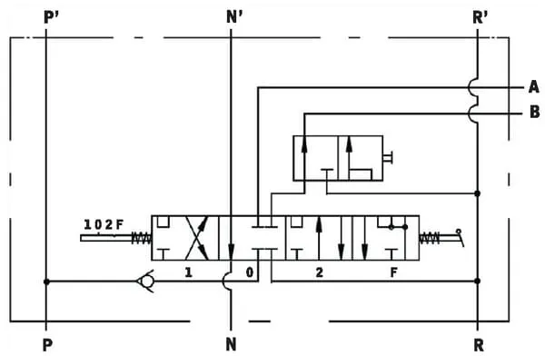
  • 5/4cestný ručně ovládaný ventil
  • Pro dvojčinné a/nebo jednočinné zvedací válce
  • Pokud přepnete dále za polohu spouštění, dojde k aktivaci polohy plováku s detencí, která není hydraulicky odpojena (porty A a B jsou připojeny k nádrži)
  • Plovákovou polohu lze použít jako polohu spouštění s aretací pro dvojčinné i jednočinné zdvihací válce
  • Jednotku lze přepnout z dvojčinného na jednočinný a naopak
  • Toto nastavení lze provést i během provozu
  • Hydraulické systémy traktorů Case a Lamborghini
Obsah
  • Přídavný řídicí ventil
  • S pákou

Tento produkt má několik variant. Vyberte prosím konkrétní variantu z tabulky níže.

Dostupné varianty produktu

Produkt Košík Cena Obsah Značka Hmotnost Jednotka Celková délka Celková výška Celková šířka Maximální průtok Originální číslo Blokovací torzní moment Maximální pracovní tlak Rozteč závitu připojení Průměr závitu připojení
5/4 ventil SB1
5/4 ventil SB1
SVA19082
11 928,91 Kč 9 858,60 Kč bez DPH
  • Přídavný řídicí ventil
  • S pákou
AK Regeltechnik 2,5 kg Kus 180 mm 75 mm 40 mm 40 l/min
  • 0 523 602 012
  • 0 523 602 026
  • 0 521 602 026
25 nm 220 BAR 1.50 mm M18