AgroBox

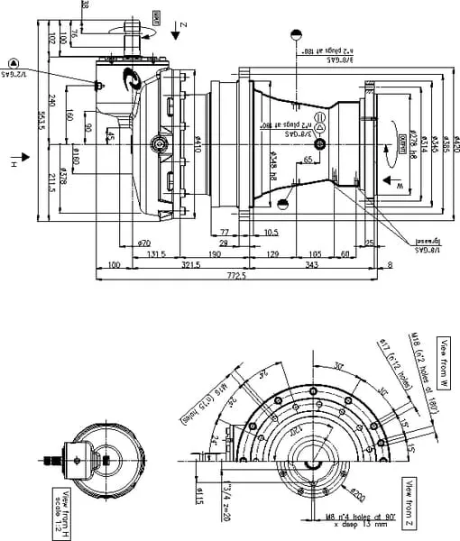
Převodovka PGA1602VM

Parametry produktu

Číslo položky 57170048580P001
Jednotka Kus
Značka Comer
Zvláštnosti Je vybaven speciálním uložením, na které lze přímo připojit šroubové vřeteno.
Podrobnosti
  • Materiál pouzdra: litina
  • Potřebujete-li informace o výkonu při různých otáčkách, kontaktujte nás
  • Převodovka se dodává bez oleje (před prvním použitím je potřeba naplnit)
  • První výměnu oleje proveďte po 50–70 provozních hodinách a poté po 500–700 provozních hodinách nebo alespoň jednou ročně
Použití
  • Míchačka na krmivo
  • Vhodný na:
  • Jednoduchá míchačka 10–14 kubických metrů
  • Dvojitá míchačka 16–24 kubických metrů
Výhody Naviják nevyžaduje žádné zvláštní uložení
Model PGA 1602 VM
Obsah
  • Převodovka
  • Olej objednávejte samostatně
Max. výstupní otáčky 62 r/min
Max. výstupní výkon 88,7 kW
Max. výstupní točivý moment 1570 daNm
Vnější průměr připojení č. 1 1-3/4 Inch
Počet drážek připojení č. 1 20
Obsahuje olej Ne
Stupeň viskozity oleje dle SAE 90
Hmotnost 265 kg

131 204,90 Kč s DPH

108 433,80 Kč bez DPH

Skladem