AgroBox

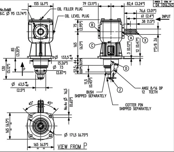
Převodovka LF-205J 1:1,92

Parametry produktu

Číslo položky 205805
Jednotka Kus
Značka Comer
Podrobnosti
  • Potřebujete-li informace o výkonu při různých otáčkách, kontaktujte nás
  • Převodovka se dodává bez oleje (před prvním použitím je potřeba naplnit)
  • První výměnu oleje proveďte po 50–70 provozních hodinách a poté po 500–700 provozních hodinách nebo alespoň jednou ročně
Použití Sekačky
Převodový faktor 1:1.92
Obsah
  • Převodovka
  • Bez oleje
Max. příkon 22 kW
Max. výstupní výkon 30 HP
Vnější průměr připojení č. 1 1-3/8 Inch
Počet drážek připojení č. 1 6
Vnější průměr připojení č. 3 40 mm
Vnější průměr připojení č. 3 # 8/16 Inch
Počet drážek připojení č. 3 6
Uspořádání převodů, zvýšení 3
Zvyšování vstupní hřídele X
Snižování vstupní hřídele Z
Obsahuje olej Ne
Max. objem oleje 0,8 l
Max. interval výměny oleje 500 h
Stupeň viskozity oleje dle SAE 80W-90
Materiál pouzdra Litina GGG40
Hmotnost 16 kg

6 419,90 Kč s DPH

5 305,70 Kč bez DPH

Skladem