AgroBox

Převodovka Comer kompl. T-301B 1:1

Parametry produktu

Podrobnosti
  • Všechny převodovky se dodávají bez oleje.
  • První výměnu oleje proveďte po 50–70 provozních hodinách a poté po 500–700 provozních hodinách nebo alespoň jednou ročně.
  • Potřebujete-li informace o výkonu při různých otáčkách, kontaktujte nás.
Použití
Různé (zemědělské) aplikace
Obsah
  • Převodovka
  • Bez oleje

Tento produkt má několik variant. Vyberte prosím konkrétní variantu z tabulky níže.

Dostupné varianty produktu

Produkt Košík Cena Obsah Značka Jednotka Použití Max. příkon Obsahuje olej Materiál pouzdra Převodový faktor Max. interval výměny oleje Max. výstupní točivý moment Počet drážek připojení č. 1 Počet drážek připojení č. 2 Počet drážek připojení č. 3 Uspořádání převodů, zvýšení XVnější průměr připojení č. 1 YVnější průměr připojení č. 2 ZVnější průměr připojení č. 3
Převodovka T-301B 1:1
Převodovka T-301B 1:1
301016
36 432,56 Kč 30 109,55 Kč bez DPH
  • Převodovka
  • Bez oleje
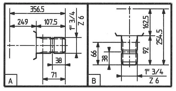
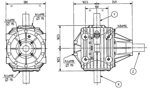
Comer Kus Různé (zemědělské) aplikace 110,3 kW Ne Litina GGG40 1:1 500 h 1891 nm 6 6 6 33-34 1-3/4 Inch 1-3/4 Inch 1-3/4 Inch