AgroBox

Převodovka Comer kompl. T-278D 1:1

Parametry produktu

Použití
Tažené sekačky
Obsah
  • Převodovka
  • Bez oleje
Technická informace
  • S dotazy stran výkonu při jiných otáčkách se laskavě obraťte přímo na nás
  • Při prvním použití vyměňte olej po 50 provozních hodinách

Tento produkt má několik variant. Vyberte prosím konkrétní variantu z tabulky níže.

Dostupné varianty produktu

Produkt Košík Cena Obsah Značka Hmotnost Jednotka Použití Max. příkon Obsahuje olej Max. objem oleje Materiál pouzdra Převodový faktor Max. interval výměny oleje Max. výstupní točivý moment Stupeň viskozity oleje dle SAE Počet drážek připojení č. 1 Počet drážek připojení č. 2 Uspořádání převodů, zvýšení Vnější průměr připojení č. 1 Vnější průměr připojení č. 2
Převodovka T-278D 1:1
Převodovka T-278D 1:1
278214
45 291,51 Kč 37 431,00 Kč bez DPH
  • Převodovka
  • Bez oleje
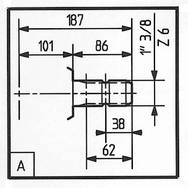
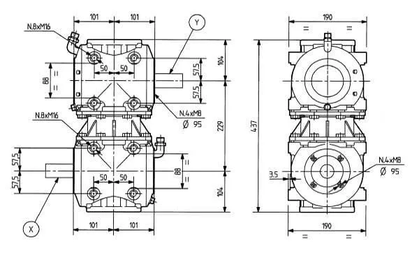
Comer 55 kg Kus Tažené sekačky 44,2 kW Ne 1,2 l Litina GG25 1:1 500 h 757 nm 80W-90 6 6 227 1-3/8 Inch 1-3/8 Inch