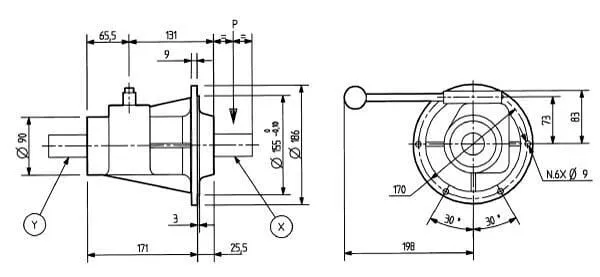
Převodovka Comer kompl. D-16A 1:1
Parametry produktu
| Popis výrobku | Převodovka Comer kompl. D-16A 1:1 |
|---|---|
| Použití | Různá použití (v zemědělství) |
| Obsah |
|
| Technická informace | Všechna tech. data odpovídají nárokům ISO 6335 a ISO 281 |
Tento produkt má několik variant. Vyberte prosím konkrétní variantu z tabulky níže.
Dostupné varianty produktu
| Produkt | Košík | Cena | Obsah | Značka | Hmotnost | Jednotka | Použití | Obsahuje olej | Popis výrobku | Max. objem oleje | Technická informace | Max. výstupní točivý moment | Stupeň viskozity oleje dle SAE | Počet drážek připojení č. 1 | Počet drážek připojení č. 2 | Uspořádání převodů, zvýšení | Vnější průměr připojení č. 1 | Vnější průměr připojení č. 2 |
|---|---|---|---|---|---|---|---|---|---|---|---|---|---|---|---|---|---|---|
Spojka řazení 1 3/8" 6
716005
|
21 384,57 Kč
17 673,20 Kč bez DPH
|
|
Comer | 9,5 kg | Kus | Různá použití (v zemědělství) | Ne | Převodovka Comer kompl. D-16A 1:1 | 0,25 l | Všechna tech. data odpovídají nárokům ISO 6335 a ISO 281 | 200 nm | 80W-90 | 6 | 6 | 202 | 1-3/8 Inch | 1-3/8 Inch |