AgroBox

Převodovka Comer A-1A speed increasing

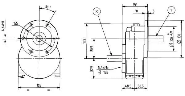
Parametry produktu

Použití
  • Různá použití (v zemědělství)
  • Generátory na vývodové hřídele
Obsah
  • Převodovka
  • Olej objednávejte samostatně

Tento produkt má několik variant. Vyberte prosím konkrétní variantu z tabulky níže.

Dostupné varianty produktu

Produkt Košík Cena Obsah Značka Hmotnost Jednotka Použití Obsahuje olej Max. objem oleje Převodový faktor Max. výstupní výkon Max. výstupní výkon # Max. výstupní točivý moment Stupeň viskozity oleje dle SAE Počet drážek připojení č. 1 Uspořádání převodů, snížení Uspořádání převodů, zvýšení Vnější průměr připojení č. 1
Převodovka A-1A 1:7,8
Převodovka A-1A 1:7,8
60030210
13 955,72 Kč 11 533,65 Kč bez DPH
  • Převodovka
  • Olej objednávejte samostatně
Comer 11 kg Kus
  • Různá použití (v zemědělství)
  • Generátory na vývodové hřídele
Ne 0,5 l 1:7.8 11,8 kW 16 HP 2,5 daNm 80W-90 6 51-52 41-42 1-3/8 Inch
Převodovka A-1B 1:7
Převodovka A-1B 1:7
60000510
13 177,14 Kč 10 890,20 Kč bez DPH
  • Převodovka
  • Olej objednávejte samostatně
Comer 11 kg Kus
  • Různá použití (v zemědělství)
  • Generátory na vývodové hřídele
Ne 0,5 l 1:7 9,6 kW 13 HP 2,9 daNm 80W-90 6 51-52 41-42 1-3/8 Inch