AgroBox

Převodovka 29,5:1

Parametry produktu

Číslo položky RT30040
Jednotka Kus
Značka Berma
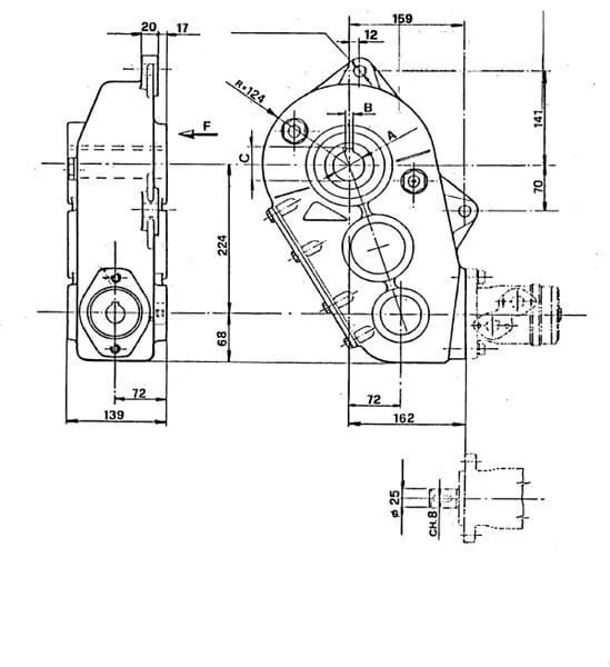
Popis výrobku Převodovka Berma kompl. Typ RT 300
Zvláštnosti Robustní litinová konstrukce
Podrobnosti
  • Pro DANFOSS OMP/OMR
  • Všechny převodovky se dodávají bez oleje.
  • První výměnu oleje proveďte po 50–70 provozních hodinách a poté po 500–700 provozních hodinách nebo alespoň jednou ročně.
Použití
  • Řetěz pro zemědělské stroje
  • Pásový dopravník
Vlastnosti Alternativa k řetězovému pohonu
Výhody Vyšší točivý moment s jednoduchým hydromotorem
Převodový faktor 1:29.5
Obsah
  • Převodovka
  • Bez oleje
  • Bez hydromotoru
Max. výstupní točivý moment 3000 nm
Šířka klíče připojení č. 1 12 mm
Průměr bočních kruhových montážních otvorů připojení č. 1 40 mm
Obsahuje olej Ne
Max. objem oleje 3,8 l
Max. interval výměny oleje 500 h
Stupeň viskozity oleje dle SAE 80W-90
Celková šířka 43,8 mm
Hmotnost 34 kg

19 409,85 Kč s DPH

16 041,20 Kč bez DPH

Skladem