AgroBox

Převodovka 1,9:1

Parametry produktu

Číslo položky RT4535
Jednotka Kus
Značka Berma
Zvláštnosti Robustní litinová konstrukce
Použití
  • Řetěz pro zemědělské stroje
  • Pásový dopravník
  • Rozmetadlo soli
  • Zametací stroje
  • Míchačky na beton
Vlastnosti Alternativa k řetězovému pohonu
Technická informace
  • Pro DANFOSS OMP/OMR
  • Při prvním použití vyměňte olej po 50 provozních hodinách
Výhody Vyšší točivý moment s jednoduchým hydromotorem
Převodový faktor 1:1.9
Obsah
  • Převodovka
  • Bez oleje
  • Bez hydromotoru
Max. výstupní točivý moment 450 nm
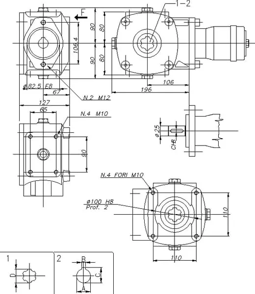
Šířka klíče připojení č. 1 10 mm
Průměr bočních kruhových montážních otvorů připojení č. 1 35 mm
Obsahuje olej Ne
Max. objem oleje 0,6 l
Max. interval výměny oleje 500 h
Stupeň viskozity oleje dle SAE 80W-90
Celková šířka 38,8 mm
Hmotnost 11 kg

16 941,57 Kč s DPH

14 001,30 Kč bez DPH

Skladem