AgroBox

Přepážkové šroubení volné 42L

Parametry produktu

Číslo položky GSS42L
Jednotka Kus
Značka Voss
Výhody Snížené riziko průsaku
Podrobnosti
  • K přímému spojení s metrickou hadicovou průchodkou nebo předmontovanou spojkou
  • Vícenásobná ochrana proti korozi
  • Hydraulická hadice
  • Hydraulické potrubí
Tvar Přímé
Typ připojení č. 1 Řezný kroužek
Typ připojení č. 1 – vnější/vnitřní Vnější
Připojení řady 1 42L
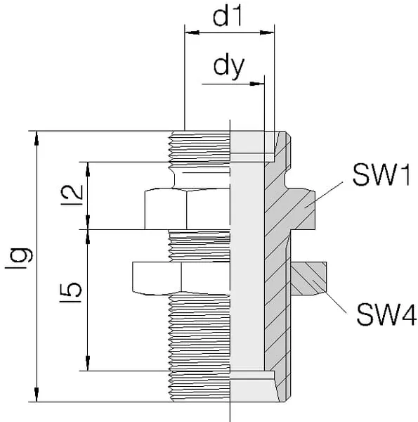
dyVnitřní průměr 36 mm
Průměr připojení č. 1 42 mm
Průměr závitu připojení č. 1 M52
Stoupání závitu připojení č. 1 2.00 mm
Typ závitu připojení č. 1 Metrický
SW4Velikost klíče připojení č. 1 60.0 mm
Typ připojení číslo 2 Řezný kroužek
Typ připojení číslo 2 – vnější/vnitřní Vnější
Připojení řady 2 42L
d1Průměr připojení číslo 2 42 mm
i2Délka připojení číslo 2 55 mm
Průměr závitu připojení číslo 2 M52
Stoupání závitu připojení číslo 2 2.00 mm
Typ závitu připojení číslo 2 Metrický
SW1Velikost klíče připojení číslo 2 60.0 mm
Norma DIN
  • 2353
  • 80750
  • 2401
IgCelková délka 77 mm
Úhel kuželu 24 °
Materiál Ocel
Povrchová úprava
  • Zinek
  • Niklováno
Max. pracovní tlak 250 BAR
Norma DIN 2353, šestihranná matice podle DIN 80750
Povrch úprava Zinek / Nikl

895,82 Kč s DPH

740,35 Kč bez DPH

Skladem