AgroBox

Předřazený převod 2 čerpadla velikostní řady 3 (též 2), GBF 30D

Parametry produktu

Zvláštnosti
Hliníkové pouzdro
Použití
Pro použití v zemědělství
Vlastnosti
Lze použít pro čerpadla skupiny 2, 3 PLP a KP
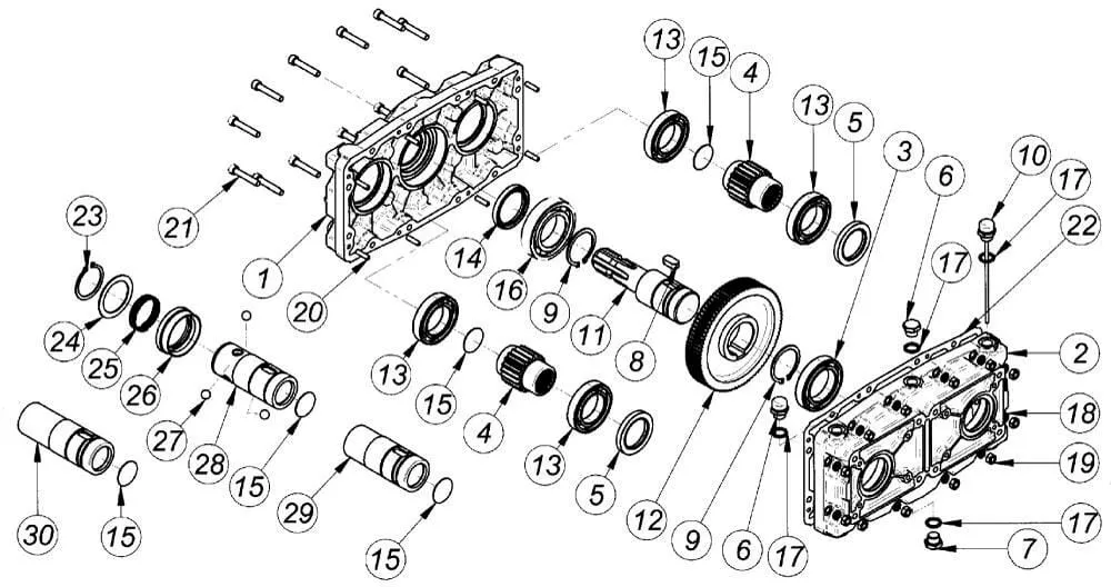
Obsah
  • Převodovka
  • Bez olejové náplně
  • Bez spojkového pouzdra
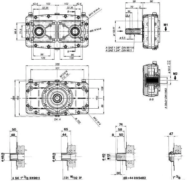
Technická informace
  • Vstupní hřídel: typ hřídele nebo objímky
  • Vstupní hřídel 1 3/8″ 6násobný
  • Při prvním použití vyměňte olej po 50 provozních hodinách
Výhody
Lehká konstrukce

Tento produkt má několik variant. Vyberte prosím konkrétní variantu z tabulky níže.

Dostupné varianty produktu

Produkt Košík Cena Obsah Výhody Značka Hmotnost Jednotka Použití Vlastnosti Obsahuje olej Zvláštnosti Max. objem oleje Převodový faktor Max. vstupní otáčky Max. výstupní otáčky Max. vstupní točivý moment Max. výstupní točivý moment Počet drážek připojení č. 1 Vnější průměr připojení č. 1
Převodovka GBF-30-D-2-2.0
Převodovka GBF-30-D-2-2.0
GBF30D220
18 747,50 Kč 15 493,80 Kč bez DPH
  • Převodovka
  • Bez olejové náplně
  • Bez spojkového pouzdra
Lehká konstrukce Borelli 18 kg Kus Pro použití v zemědělství Lze použít pro čerpadla skupiny 2, 3 PLP a KP Ne Hliníkové pouzdro 1,3 l 1:2 540 r/min 1080 r/min 868 nm 237 nm 6 1-3/8 Inch
Převodovka s pouzdrem
Převodovka s pouzdrem
GBF30D238
11 440,01 Kč 9 454,55 Kč bez DPH
  • Převodovka
  • Bez olejové náplně
  • Bez spojkového pouzdra
Lehká konstrukce Borelli 18 kg Kus Pro použití v zemědělství Lze použít pro čerpadla skupiny 2, 3 PLP a KP Ne Hliníkové pouzdro 1,3 l 1:3.8 540 r/min 2160 r/min 874 nm 115 nm 6 1-3/8 Inch
Úhlová převodovka s hřídelí
Úhlová převodovka s hřídelí
GBF30D115
12 616,61 Kč 10 426,95 Kč bez DPH
  • Převodovka
  • Bez olejové náplně
  • Bez spojkového pouzdra
Lehká konstrukce Borelli 18 kg Kus Pro použití v zemědělství Lze použít pro čerpadla skupiny 2, 3 PLP a KP Ne Hliníkové pouzdro 1,3 l 1:1.5 540 r/min 810 r/min 768 nm 256 nm 6 1-3/8 Inch
Úhlová převodovka s hřídelí
Úhlová převodovka s hřídelí
GBF30D130
11 440,01 Kč 9 454,55 Kč bez DPH
  • Převodovka
  • Bez olejové náplně
  • Bez spojkového pouzdra
Lehká konstrukce Borelli 18 kg Kus Pro použití v zemědělství Lze použít pro čerpadla skupiny 2, 3 PLP a KP Ne Hliníkové pouzdro 1,3 l 1:3 540 r/min 1620 r/min 966 nm 161 nm 6 1-3/8 Inch
Úhlová převodovka s hřídelí
Úhlová převodovka s hřídelí
GBF30D135
11 440,01 Kč 9 454,55 Kč bez DPH
  • Převodovka
  • Bez olejové náplně
  • Bez spojkového pouzdra
Lehká konstrukce Borelli 18 kg Kus Pro použití v zemědělství Lze použít pro čerpadla skupiny 2, 3 PLP a KP Ne Hliníkové pouzdro 1,3 l 1:3.5 540 r/min 1836 r/min 904 nm 133 nm 6 1-3/8 Inch
Úhlová převodovka s hřídelí
Úhlová převodovka s hřídelí
GBF30D138
11 440,01 Kč 9 454,55 Kč bez DPH
  • Převodovka
  • Bez olejové náplně
  • Bez spojkového pouzdra
Lehká konstrukce Borelli 18 kg Kus Pro použití v zemědělství Lze použít pro čerpadla skupiny 2, 3 PLP a KP Ne Hliníkové pouzdro 1,3 l 1:3.8 540 r/min 2160 r/min 874 nm 115 nm 6 1-3/8 Inch
Úhlová převodovka s pouzdrem
Úhlová převodovka s pouzdrem
GBF30D230
10 990,55 Kč 9 083,10 Kč bez DPH
  • Převodovka
  • Bez olejové náplně
  • Bez spojkového pouzdra
Lehká konstrukce Borelli 18 kg Kus Pro použití v zemědělství Lze použít pro čerpadla skupiny 2, 3 PLP a KP Ne Hliníkové pouzdro 1,3 l 1:3 540 r/min 1620 r/min 966 nm 168 nm 6 1-3/8 Inch