AgroBox

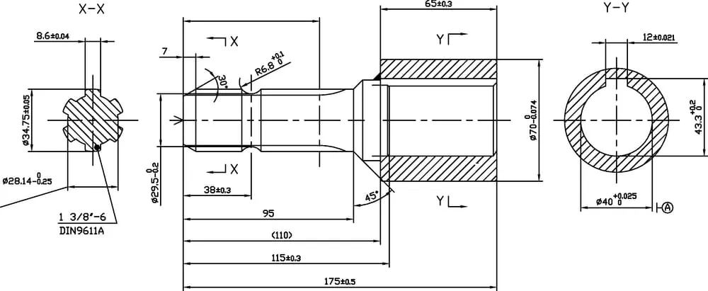
Přechod. kus O40+klín 1,3/8-6

Parametry produktu

Číslo položky 6710191KR
EAN 8716106172887
Jednotka Kus
Značka Kramp
Použití Aplikace poháněné kloubovým hřídelem
Vlastnosti
  • Max. 5 % bílé koroze po 72 hodinách testu v solné mlze dle ASTM B117-97
  • Dle bezpečnostní normy EN12965 není použití na straně traktoru přípustné
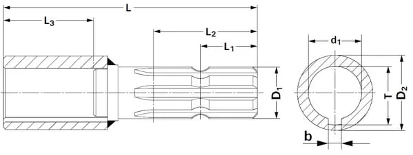
D1Vnější průměr přípojky č. 1 1-3/8 Inch
Počet drážek u připojení č. 1 6
d1Vnitřní montážní průměr 40 mm
LCelková délka 175 mm
bŠířka drážky 12 mm
Materiál Ocel S355
Max. výkon 30 kW
D2Vnější průměr 70 mm
Poznámka Nesmí být použito pro redukci mezi vývodovou hřídelí traktoru a kloubovou hřídelí. kW

1 108,72 Kč s DPH

916,30 Kč bez DPH

Skladem