Pouzdra filtrů pro tlakové filtry, typ FHP135
Parametry produktu
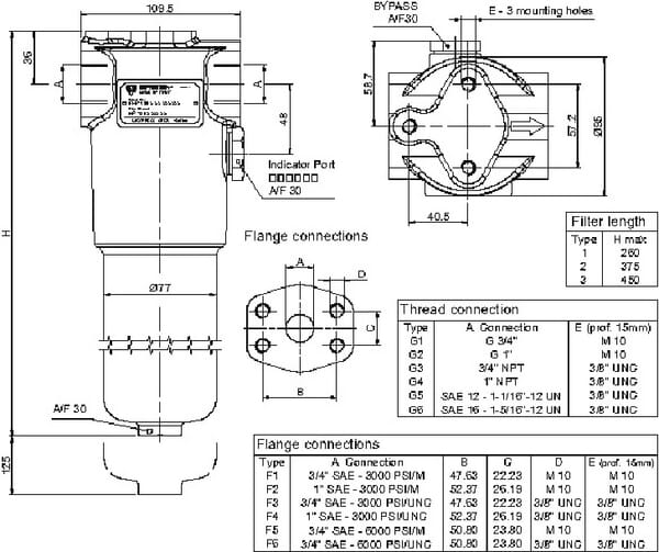
| Popis výrobku | Pouzdra filtrů bez filtrační vložky pro řadu FHP. Řadu FHP tvoří univerzální vysokotlaké filtry, které slouží k ochraně citlivých součástí vysokotlakých hydraulických systémů až do 420 barů. Zobrazit více |
|---|
Tento produkt má několik variant. Vyberte prosím konkrétní variantu z tabulky níže.
Dostupné varianty produktu
| Produkt | Košík | Cena | Značka | Jednotka | Materiál | Celková délka | Celková výška | Originální číslo | Povrchový materiál | Průměr závitu portu vstupu |
|---|---|---|---|---|---|---|---|---|---|---|
Pouzd.filtru FHP bez vložky
FHP1351BAG2
|
7 718,83 Kč
6 379,20 Kč bez DPH
|
MP Filtri | Kus | Steel | 254 mm | 221 mm | FHP135-1-B-A-G2-P01 | Ocel | 3/4 Inch |