AgroBox

Pon.pouzdr.TH-V4A/250 mm nerez

Parametry produktu

Číslo položky THV4A250
EAN 4251325614526
Jednotka Kus
Značka Non Original
Podrobnosti
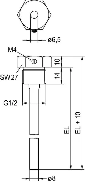
  • Ponorné trubice k montáži teplotních čidel TF54
  • Ochranná trubka: nerezová ocel 1.4571, V 4A
Délka 250 mm
Rozsah teplot 0-110 °C
Konstrukce Jednopólový tyčový regulátor teploty s přepínacím kontaktem, v plombovatelném pouzdru z lehkého kovu utěsněném proti stříkající vodě (IP 55), s vnitřní nastavovací stupnicí.
Montáž Přesuvná trubka se zašroubuje do závitového otvoru (R 1/2″) v olejové nádrži. Tyčový regulátor teploty se potom zasune dovnitř a zajistí na pouzdru pružinovou sponou. Nastavení se provádí šroubovákem zasunutým do otvoru na čelní straně.

1 761,82 Kč s DPH

1 456,05 Kč bez DPH

Skladem