AgroBox

Podpěr.noha 65-250 s rychlouz.

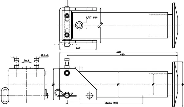
Parametry produktu

Číslo položky SP65250CS
EAN 5700038825181
Jednotka Kus
Značka Kramp
Výhody
  • Díky silné tažné pružině nedochází k nepravidelnému zpětnému rázu
  • Snižuje riziko poškození pístnice
  • Snadné vyklápění a sklápění
  • Zaměnitelné s jinými značkami
Podrobnosti
  • Jednočinný
  • Úzká trubková konstrukce
  • Válce jsou černě stříkané
  • Válec s těžkou vnitřní tažnou pružinou
  • Kalená chromovaná pístnice
  • S automatickým blokovacím systémem
Typ ovládání Hydraulické
Zdvih 250 mm
Kapacita při 100 barech 3,3 t
Kapacita při 150 barech 4,9 t
CŠířka/průměr základové desky 180 mm
BVnější průměr 102 mm
Výška hlavy 125 mm
Hmotnost 15 kg
Jmenovitý tlak 200 BAR
APrůměr tyče 65 mm
Těsnění Ano

4 648,82 Kč s DPH

3 842,00 Kč bez DPH

Skladem