Ozubené řemenice standardní, HTD – typ 5M. Rozteč 5 mm pro šířku řemene 15 mm
Parametry produktu
| Technická informace |
|
|---|
Tento produkt má několik variant. Vyberte prosím konkrétní variantu z tabulky níže.
Dostupné varianty produktu
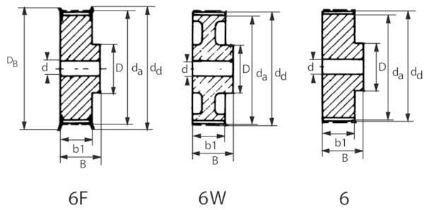
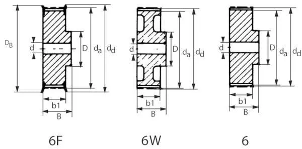
| Produkt | Košík | Cena | Značka | Jednotka | Materiál | Počet zubů | Rozteč zubů | Typ řemenice | Průměr otvoru | Průměr náboje | Šířka náboje | Šířka řemene | Max. průměr otvoru | b1Pracovní šířka | daRoztečný průměr | Určeno pro typ řemene | DBVnější průměr kladky | Určeno pro profil klínového řemenu |
|---|---|---|---|---|---|---|---|---|---|---|---|---|---|---|---|---|---|---|
Ozubená řemenice 5M-15 18Z
185M15
|
250,47 Kč
207,00 Kč bez DPH
|
Kramp | Kus | Ocel | 18 | 5 mm | 6F | 6 mm | 20 mm | 26 mm | 15 mm | 12 mm | 20,5 mm | 27,51 mm | Rozvodový řemen | 32 mm | 5M | |
Ozubená řemenice 5M-15 26Z
265M15
|
395,31 Kč
326,70 Kč bez DPH
|
Kramp | Kus | Ocel | 26 | 5 mm | 6F | 6 mm | 30 mm | 28 mm | 15 mm | 18 mm | 20,5 mm | 40,24 mm | Rozvodový řemen | 44 mm | 5M | |
Ozubená řemenice typ 5M 72Z
725M15
|
1 495,20 Kč
1 235,70 Kč bez DPH
|
Kramp | Kus | Ocel | 72 | 5 mm | 6W | 8 mm | 45 mm | 30 mm | 15 mm | 25 mm | 20,5 mm | 113,45 mm | Rozvodový řemen | 114,59 mm | 5M |