AgroBox

Ozubená řemenice T5-16 40Z

Parametry produktu

Číslo položky 27T5402
Jednotka Kus
Značka Kramp
Technická informace
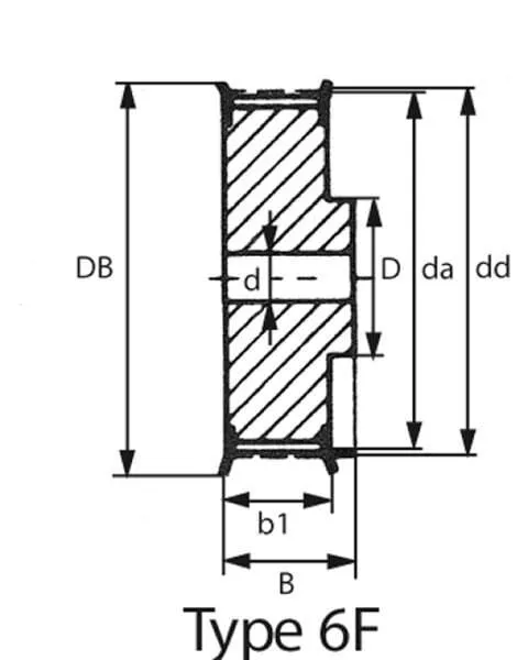
  • Vrtání náboje, klínová drážka a závitový otvor volitelné
  • Doporučený maximální otvor: D x 0,6
Určeno pro profil klínového řemenu T5
Počet zubů 40
DBVnější průměr kladky 63,85 mm
Šířka řemene 16 mm
Průměr náboje 40 mm
Rozteč zubů 5 mm
Max. průměr otvoru 23 mm
Typ řemenice 6F
BŠířka náboje 27 mm
daRoztečný průměr 62,85 mm
Materiál Hliník
dPrůměr otvoru 8 mm
b1Pracovní šířka 21 mm
Určeno pro typ řemene Rozvodový řemen

640,76 Kč s DPH

529,55 Kč bez DPH

Skladem