AgroBox

Ovládací ruční páka se zpětnou vazbou (LRX) – C2

Parametry produktu

Výhody
  • Kompaktní konstrukce
  • Propojení možné
  • Četné možnosti ovládání čerpadla
Podrobnosti
  • Vysoký průtok při středním tlaku
  • Nastavitelný maximální počet zdvihů
  • S nabíjecím čerpadlem
  • Pro použití jako převodovka, čerpadlo hnojiva, pohon navijáku, mobilní aplikace a mnoho dalších.
  • Toto čerpadlo proti směru hodinových ručiček nemáme standardně skladem. Je ovšem k dostání do 2 dnů. Kontaktujte našeho produktového specialistu.
Použití
  • Pohon pojezdu
  • Vysoký průtok při středním tlaku
  • Používá se jako čerpadlo hnojiva, pohon navijáků a pro mobilní aplikace atd.
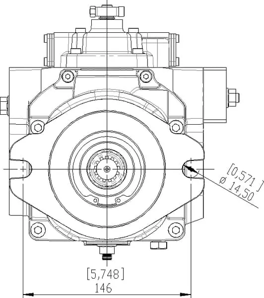
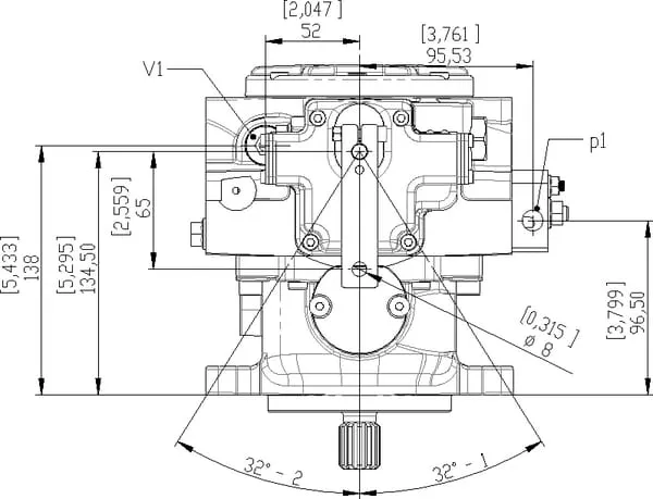
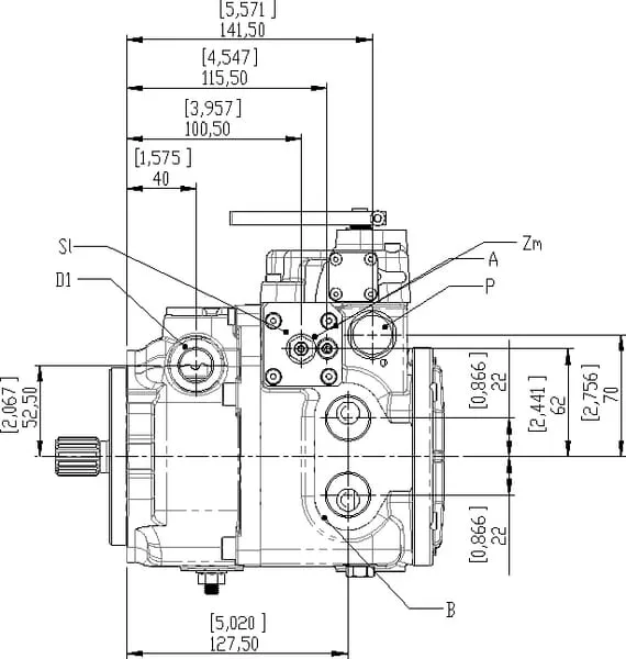
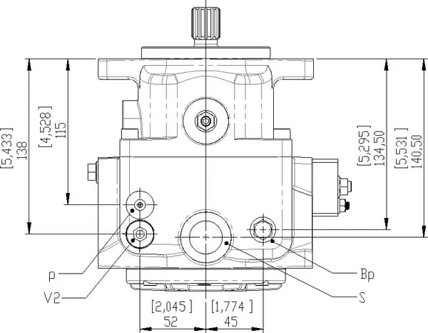
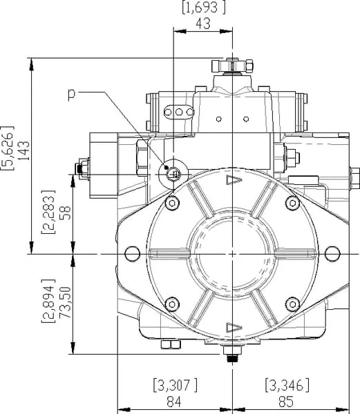
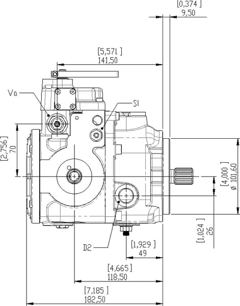
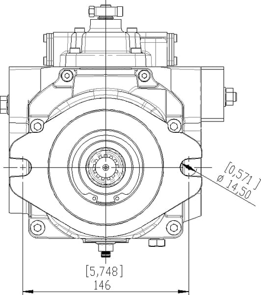
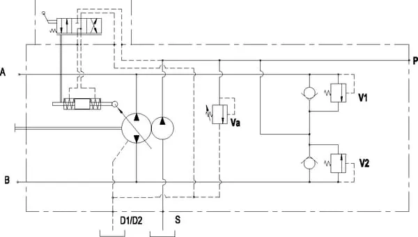
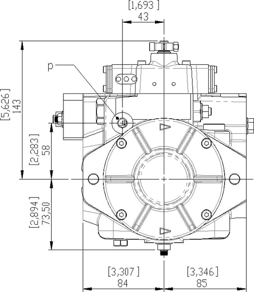
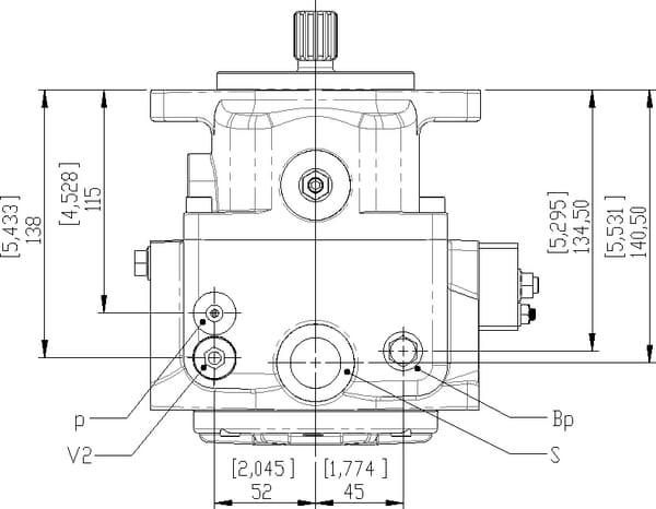
Technická informace
  • Robustní kryt
  • Nastavitelný maximální počet otáček

Tento produkt má několik variant. Vyberte prosím konkrétní variantu z tabulky níže.

Dostupné varianty produktu

Produkt Košík Cena Výhody Značka Jednotka Výhody # Typ modelu Ovládání Typ hřídele Kód hřídele Kód příruby Zdvihový objem Technická informace Max. nejvyšší tlak Počet zubů hřídele Max. rychlost otáčení Min. rychlost otáčení Tlak plnicího čerpadla Preferovaný směr otáčení Výtlačné plnicí čerpadlo Max. soustavný provozní tlak Možnosti průchozí hřídele Maximální přerušovaná rychlost
Pistonpump C2-21-21-LRX-1-25-R-1-G-0-0-0-
Pistonpump C2-21-21-LRX-1-25-R-1-G-0-0-0-
KCLPC221R006
103 632,69 Kč 85 646,85 Kč bez DPH
  • Kompaktní konstrukce
  • Možnost propojení
  • Více možností ovládání čerpadla
Kramp Kus
  • Kompaktní konstrukce
  • Propojení možné
  • Četné možnosti ovládání čerpadla
KCLPC2 Ruční páka se zpětnou vazbou Drážkované 13T 01 21 cm³/rev
  • Robustní kryt
  • Nastavitelný maximální počet otáček
350 BAR 13 3600 r/min 700 r/min 20 BAR Pravotočivé (CW) 11 cm³/rev 250 BAR Ne 3600 r/min