AgroBox

Orbitální řídicí jednotka 160 cm3, Kramp

Parametry produktu

Číslo položky SOSPC160NONKR
EAN 8719493241440
Jednotka Kus
Značka Kramp
Výhody
  • Příznivý poměr ceny a výkonu
  • Minimální energetická ztráta
  • Vysoká bezpečnost a komfort
  • Nízká hlučnost
  • Nepatrný pokles tlaku
Podrobnosti
  • Kompaktní design
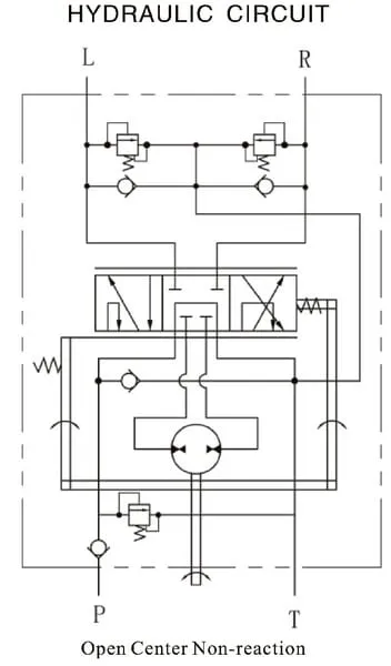
  • Konstrukce: otevřený střed bez reakce (SOSPB s integrovanými ventily)
  • „O“ znamená „otevřený systém“ V neutrální poloze proudí olej z přípojky „P“ (čerpadlo) do přípojky „T“ (nádrž)
  • „N“ znamená „bez reakce“ Síly působící na kola zvenčí se nepřenášejí na převody řízení.
Zdvihový objem 160 cm³/rev
Typ ON
Ventil pro zpětné proudění Ano
Ventil pro zpětné proudění # 140 BAR
Rázový ventil Ano
Tlak rázového ventilu 200 BAR
Maximální zpětný tlak 25 BAR
Max. pracovní tlak 175 BAR
Load sensing typ n/a
Minimální požadovaný průtok 16 l/min
Průměr závitu – připojení A 1/2 Inch
Typ závitu – připojení A BSP
Rozměr L1 144 mm
Materiál Litina

2 644,09 Kč s DPH

2 185,20 Kč bez DPH

Skladem