Orbitální motory Danfoss, typ OML
Parametry produktu
Tento produkt má několik variant. Vyberte prosím konkrétní variantu z tabulky níže.
Dostupné varianty produktu
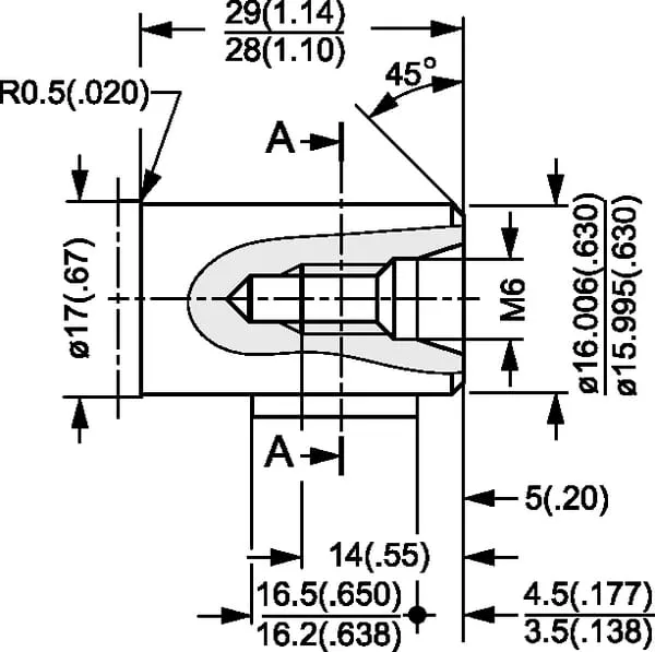
| Produkt | Košík | Cena | Značka | Jednotka | Max. výkon | Typ hřídele | Typ těsnění | L1Délka rotoru | Zdvihový objem | L1Délka pouzdra | Průměr hřídele | Max. nejvyšší tlak | Typ závitu hřídele | Max. rychlost otáčení | Min. rychlost otáčení | Průměr závitu hřídele | Typ závitu hlavního portu | Míra maximálního průtoku | Počet montážních otvorů | Max. soustavný provozní tlak | Max. soustavný točivý moment | Max. střídavý provozní tlak | Průměr závitu hlavního portu |
|---|---|---|---|---|---|---|---|---|---|---|---|---|---|---|---|---|---|---|---|---|---|---|---|
Orbitální motor
OML8151G2001
|
7 459,71 Kč
6 165,05 Kč bez DPH
|
White | Kus | 1,1 kW | Přímý paralelní | Standardní | 4,1 mm | 8 cm³/rev | 102,5 mm | 16 mm | 140 BAR | Metrický | 2000 r/min | 50 r/min | M5 | G | 16 l/min | 4 | 70 BAR | 7 N·m | 125 BAR | 1/4 Inch |