AgroBox

Orbitální motor, hřídel Ø 25

Parametry produktu

Číslo položky OMPX6011186699
Jednotka Kus
Značka White
Zvláštnosti Různé kombinace náprav a přírub
Použití Všude, kde je požadován vysoký točivý moment a nízké otáčky, např. u zametačů, nakládacích vozů, řetězových pohonů, posypových vozů, sekaček, navijáků a zemědělských, lesnických a stavebních strojů
Vlastnosti
  • Robustní a kompaktní konstrukce
  • Vysoké axiální a radiální zatížení nápravy
  • Vysoký náběhový točivý moment
  • Pokles tlaku: P1 = provozní tlak kontinuální, P2 = provozní tlak přerušovaný
Technická informace Tyto motory mají rotorovou konstrukci a vyznačují se robustním a kompaktním provedením. Díky svému širokému axiálnímu uložení mohou zachytit velké axiální a radiální síly. Tyto motory mají velice vysoký spouštěcí moment.
Výhody Flexibilní
Zdvihový objem 60 cm³/rev
Tvar příruby Oválný
Kód příruby A2
Průměr příruby 82,5 mm
Počet montážních otvorů 2
Průměr kruhu montážních otvorů 106,4 mm
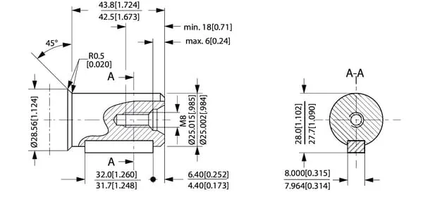
Typ hřídele Válcový
Průměr hřídele 25 mm
Max. soustavný točivý moment 125 N·m
Min. počáteční točivý moment 110 N·m
Max. soustavný provozní tlak 160 BAR
Min. počáteční tlak 10 BAR
Míra maximálního průtoku 60 l/min
Max. rychlost otáčení 1000 r/min
Průměr závitu hlavního portu 1/2 Inch
Typ závitu hlavního portu G
Průměr závitu vypouštěcího portu 1/4 Inch
Typ závitu vypouštěcího portu G
Pozice portu Boční
Typ těsnění Vysoký tlak
Délka pouzdra 134,6 mm

9 246,22 Kč s DPH

7 641,50 Kč bez DPH

Skladem