AgroBox

Orbitální motor 12 cm3, Kramp

Parametry produktu

Číslo položky SMM12CPYKR
EAN 8719493241525
Jednotka Kus
Značka Kramp
Popis výrobku Orbitální motory se vyznačují kompaktní konstrukcí a vysokým rozběhovým momentem.
Výhody
  • K dispozici se zadními nebo bočními přípojkami
  • Lze dodat s různými provedeními hřídele
Podrobnosti
  • Vhodné k dlouhodobému provozu za středního tlaku nebo krátkodobému provozu za vysokého tlaku
  • Robustní a kompaktní konstrukce
  • Viz technické informace o maximálním radiálním a axiálním zatížení
  • Patří do řady malých oběžných motorů
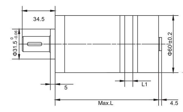
Zdvihový objem 12,5 cm³/rev
Tvar příruby Kulaté
Kód příruby
Počet montážních otvorů 3
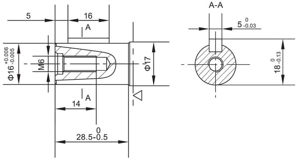
Typ hřídele Válcový
Průměr hřídele 16 mm
Max. soustavný točivý moment 16 N·m
Max. soustavný provozní tlak 100 BAR
Max. střídavý provozní tlak 140 BAR
Max. nejvyšší tlak 200 BAR
Míra maximálního průtoku 20 l/min
Max. rychlost otáčení 1550 r/min
Průměr závitu hlavního portu 3/8 Inch
Typ závitu hlavního portu BSP
Průměr závitu vypouštěcího portu 1/8 Inch
Typ závitu vypouštěcího portu BSP
Pozice portu Konec
L1Délka rotoru 5,5 mm
Max. výkon 2,4 kW

2 816,03 Kč s DPH

2 327,30 Kč bez DPH

Skladem