AgroBox

Orbit motor , Hřídel Z9, Boční

Parametry produktu

Číslo položky OMM32151G0029
Jednotka Kus
Značka White
Popis výrobku Orbitální motory se vyznačují kompaktní konstrukcí a vysokým rozběhovým momentem.
Výhody K dispozici jsou zadní nebo boční přípojky – K dispozici je řada různých provedení hřídelí
Podrobnosti
  • Vhodné k dlouhodobému provozu za středního tlaku nebo krátkodobému provozu za vysokého tlaku
  • Robustní a kompaktní konstrukce
  • Viz technické informace o maximálním radiálním a axiálním zatížení
  • Patří do řady malých oběžných motorů
Zdvihový objem 32 cm³/rev
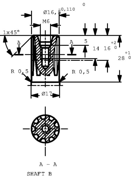
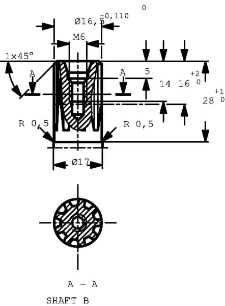
Počet montážních otvorů 3
Typ hřídele Drážkovaný
Průměr hřídele 16,5 mm
Průměr závitu hřídele M6
Typ závitu hřídele Metrický
Počet zubů hřídele 9
Max. soustavný točivý moment 40 N·m
Max. soustavný provozní tlak 100 BAR
Max. střídavý provozní tlak 140 BAR
Max. nejvyšší tlak 160 BAR
Míra maximálního průtoku 20 l/min
Max. rychlost otáčení 630 r/min
Min. rychlost otáčení 30 r/min
Průměr závitu hlavního portu 3/8 Inch
Typ závitu hlavního portu G
Průměr závitu vypouštěcího portu 1/8 Inch
Typ závitu vypouštěcího portu G
Typ těsnění Standardní
L1Délka rotoru 13,5 mm
Max. výkon 2,4 kW
LDélka pouzdra 117,5 mm
Originální číslo 151G0029

7 319,83 Kč s DPH

6 049,45 Kč bez DPH

Skladem