AgroBox

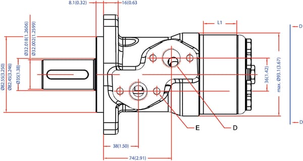
Orbit motor Hřídel Ø32, 4-L,Le

Parametry produktu

Číslo položky OMP3151515008
Jednotka Kus
Značka White
Popis výrobku Motory Orbit Danfoss typ OMP s přípojkou na únik oleje
Zvláštnosti Různé kombinace náprav a přírub
Použití Všude, kde je požadován vysoký točivý moment a nízké otáčky, např. u zametačů, nakládacích vozů, řetězových pohonů, posypových vozů, sekaček, navijáků a zemědělských, lesnických a stavebních strojů
Vlastnosti
  • Robustní a kompaktní konstrukce
  • Vysoké axiální a radiální zatížení nápravy
  • Vysoký náběhový točivý moment
  • Pokles tlaku: P1 = provozní tlak kontinuální, P2 = provozní tlak přerušovaný, P3 = špičkový tlak
Technická informace
  • Těsnění lze objednat pod č. OMP 9-AFD 98 (starší řady na vyžádání)
  • S přípojkou na prosakující olej, takže výrobek lze bez problémů použít v řadách s jinými motory, dále lze použít v uzavřených hydraulických systémech; P1 = provozní tlak kontinuální, P2 = int. provozní tlak max. 10 % /min, P3 = špičkový tlak
Výhody Flexibilní
Zdvihový objem 315 cm³/rev
Tvar příruby Oválný
Kód příruby SAE-A
Počet montážních otvorů 4
Typ hřídele Přímý paralelní
Průměr hřídele 32 mm
Průměr závitu hřídele M8
Typ závitu hřídele Metrický
Max. soustavný točivý moment 470 N·m
Max. soustavný provozní tlak 75 BAR
Max. střídavý provozní tlak 100 BAR
Max. nejvyšší tlak 160 BAR
Míra maximálního průtoku 60 l/min
Max. rychlost otáčení 310 r/min
Min. rychlost otáčení 7 r/min
Průměr závitu hlavního portu 1/2 Inch
Typ závitu hlavního portu G
Typ těsnění Standardní
Délka rotoru 26 mm
Max. výkon 10 kW
Délka pouzdra 151,5 mm
Originální číslo 1515008

12 187,73 Kč s DPH

10 072,50 Kč bez DPH

Skladem