AgroBox

Orbit motor , Hřídel Ø25,4-L,U

Parametry produktu

Číslo položky OMP801517062
Jednotka Kus
Značka White
Popis výrobku Motory Orbit Danfoss typ OMP s přípojkou na únik oleje
Zvláštnosti Různé kombinace náprav a přírub
Použití Všude, kde je požadován vysoký točivý moment a nízké otáčky, např. u zametačů, nakládacích vozů, řetězových pohonů, posypových vozů, sekaček, navijáků a zemědělských, lesnických a stavebních strojů
Vlastnosti
  • Robustní a kompaktní konstrukce
  • Vysoké axiální a radiální zatížení nápravy
  • Vysoký náběhový točivý moment
  • Pokles tlaku: P1 = provozní tlak kontinuální, P2 = provozní tlak přerušovaný, P3 = špičkový tlak
Technická informace
  • Těsnění lze objednat pod č. OMP 9-AFD 98 (starší řady na vyžádání)
  • S přípojkou na prosakující olej, takže výrobek lze bez problémů použít v řadách s jinými motory, dále lze použít v uzavřených hydraulických systémech; P1 = provozní tlak kontinuální, P2 = int. provozní tlak max. 10 % /min, P3 = špičkový tlak
Výhody Flexibilní
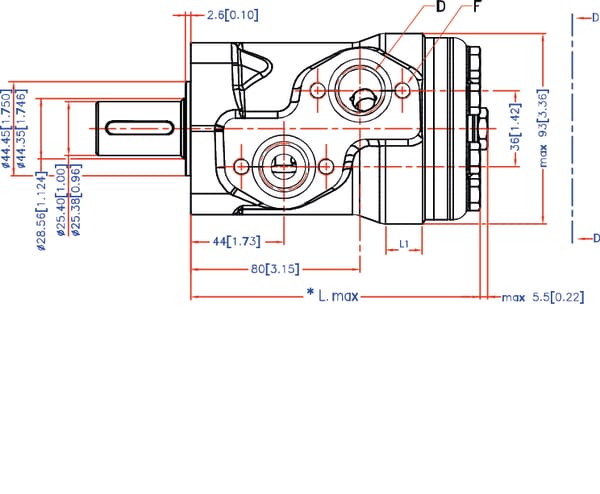
Zdvihový objem 80 cm³/rev
Tvar příruby Čtvercový
Kód příruby C
Počet montážních otvorů 4
Průměr závitu montážních otvorů M8
Typ hřídele Přímý paralelní
Průměr hřídele 25,4 mm
Typ závitu hřídele UNC
Max. soustavný točivý moment 150 N·m
Max. soustavný provozní tlak 140 BAR
Max. střídavý provozní tlak 175 BAR
Max. nejvyšší tlak 225 BAR
Míra maximálního průtoku 60 l/min
Max. rychlost otáčení 770 r/min
Min. rychlost otáčení 10 r/min
Průměr závitu hlavního portu 7/8 Inch
Typ závitu hlavního portu BSP
Závity hlavního portu na palec 14
Průměr závitu vypouštěcího portu 3/8 Inch
Typ závitu vypouštěcího portu UNC
Typ těsnění Standardní
Délka rotoru 10,4 mm
Max. výkon 10 kW
Délka pouzdra 156 mm
Originální číslo 1517062

10 113,24 Kč s DPH

8 358,05 Kč bez DPH

Skladem