AgroBox

Orbit motor Hřídel 1″ Z6, WHD

Parametry produktu

Číslo položky OMR3751510428
Jednotka Kus
Značka White
Popis výrobku Motory Orbit Danfoss typ OMR bez přípojky na únik oleje
Zvláštnosti Flexibilita díky různým kombinacích hřídelí a přírub
Použití
  • Všude tam, kde se požaduje vysoký točivý moment a nízké otáčky, např.:
  • Rozmetadla
  • Nakládací vozy
  • Pohony drapákového dna
  • Dopravní šneky
  • Balíkovací navijáky
  • Navijáky
  • Komunální, zemědělské, lesnické, stavební stroje
Technická informace Tyto motory mají válečkovou konstrukci a vyznačují se robustním a kompaktním provedením. Díky svému širokému axiálnímu uložení mohou zachytit velké axiální a radiální síly. Tyto motory mají velice vysoký spouštěcí moment.
Výhody
  • Vhodné pro provoz s častým obracením chodu
  • Vysoká účinnost
  • Vysoký trvalý tlak
  • Dlouhá životnost
  • Další odvod uniklého oleje není nutný
Zdvihový objem 315 cm³/rev
Tvar příruby Oválný
Kód příruby SAE-A
Počet montážních otvorů 2
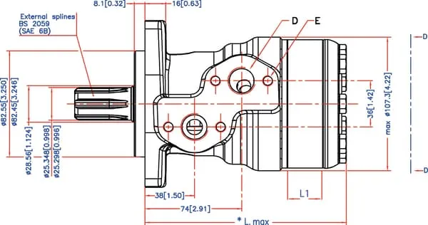
Typ hřídele Drážkovaný
Průměr hřídele 25,4 mm
Počet zubů hřídele 6
Max. soustavný točivý moment 360 N·m
Max. soustavný provozní tlak 55 BAR
Max. střídavý provozní tlak 85 BAR
Max. nejvyšší tlak 130 BAR
Míra maximálního průtoku 60 l/min
Max. rychlost otáčení 160 r/min
Min. rychlost otáčení 5 r/min
Průměr závitu hlavního portu 1/2 Inch
Typ závitu hlavního portu G
Typ těsnění Vysoký tlak
L1Délka rotoru 54,8 mm
Max. výkon 4 kW
LDélka pouzdra 191,7 mm
Originální číslo 1510428

13 500,33 Kč s DPH

11 157,30 Kč bez DPH

Skladem