AgroBox

Nůž podavače

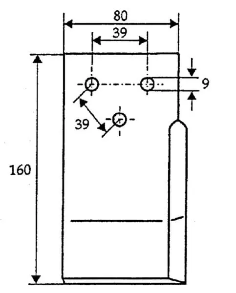
Parametry produktu

Číslo položky FM01128
Jednotka Kus
Délka 160 mm
Šířka 80 mm
Tloušťka 5 mm
Vzdálenost montážních otvorů 39 mm
Průměr otvoru 9 mm
Originální číslo C08004

253,74 Kč s DPH

209,70 Kč bez DPH

K odeslání za 5 dnů