AgroBox

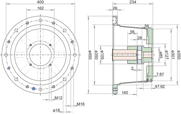
Nosič čerp.F E 450 SAE-C

Parametry produktu

Číslo položky RV450234245
Jednotka Kus
Značka RaJa-Lovejoy
Motor 37 kW
Konstrukční velikost elektromotoru 225 S

11 843,96 Kč s DPH

9 788,40 Kč bez DPH

Skladem