AgroBox

Navařovací šroubení

Parametry produktu

Číslo položky ASS18L
Jednotka Kus
Značka Voss
Výhody Snížené riziko průsaku
Podrobnosti
  • K přímému spojení s metrickou hadicovou průchodkou nebo předmontovanou spojkou
  • Vícenásobná ochrana proti korozi
  • Navařovací spojka
  • Na vyžádání lze dodat v provedení z nerezové oceli
Obsah balení
  • Spojka
  • Bez řezného kroužku
  • Bez převlečné matice
Tvar Přímé
Typ připojení č. 1 Řezný kroužek
Typ připojení č. 1 – vnější/vnitřní Vnější
Připojení řady 1 18L
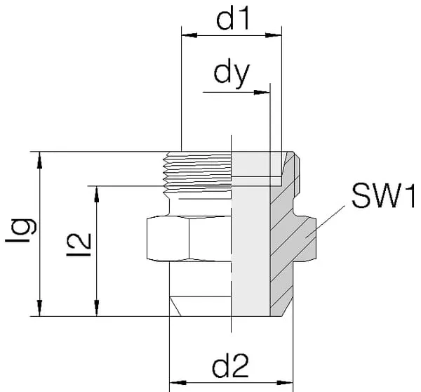
DPrůměr připojení č. 1 18 mm
Průměr závitu připojení č. 1 M26
Stoupání závitu připojení č. 1 1.50 mm
Typ závitu připojení č. 1 Metrický
SW1Velikost klíče připojení č. 1 27.0 mm
Typ připojení číslo 2 Řezný kroužek
Typ připojení číslo 2 – vnější/vnitřní Vnější
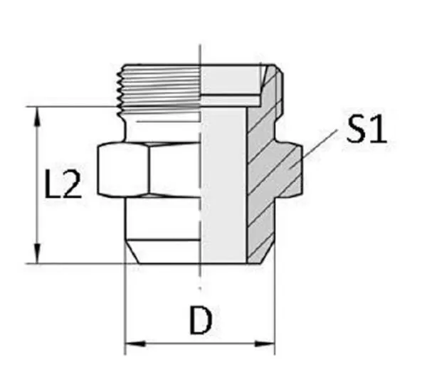
Průměr připojení číslo 2 22 mm
Typ závitu připojení číslo 2 Metrický
S2Velikost klíče připojení číslo 2 32.0 mm
dyVnitřní průměr 15,99 mm
Norma DIN 2401
L1Celková délka 31 mm
Materiál Ocel
Povrchová úprava Zinc, Nickel-plated
Max. pracovní tlak 315 BAR
Povrch úprava Zinek / Nikl

62,74 Kč s DPH

51,85 Kč bez DPH

Skladem