AgroBox

Náboj SKF

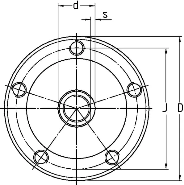
Parametry produktu

Číslo položky BAA0012
EAN 7316574620258
Jednotka Kus
Značka SKF
Typ pouzdra Kulatá příruba
Vnitřní průměr ložiska 28 mm
Vnější průměr 117 mm
Celková výška 102 mm
Výška pouzdra 60 mm
Tloušťka příruby 12 mm
Průměr kruhu montážních otvorů/šroubů 98 mm
Počet montážních otvorů 5
Průměr montážního závitu M12
Stoupání montážního závitu 1.25 mm
Průměr závitu hřídele M22
Materiál ložiska Ocel
Originální číslo BAA0012

1 889,35 Kč s DPH

1 561,45 Kč bez DPH

Skladem