AgroBox

MPP 230VAC 0.55kW 1Ltr 0.9cc

Parametry produktu

Číslo položky MPP85E001
EAN 8719732845903
Jednotka Kus
Značka Kramp
Podrobnosti
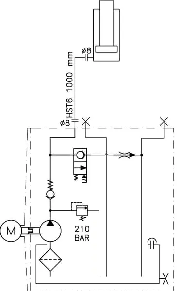
  • Elektromotor: jednofázový 0,55 kW, 230 VAC, 1450 ot/min.
  • Integrovaný 2/2cestný elektrický spouštěcí ventil s ručním ovládáním
  • Přestavitelný pojistný ventil
  • Zpětný ventil v P
  • Port P: vnitřní závit G1/4″
  • Škrticí klapka zpětného toku pro plynulý provoz
  • Průtok čerpadla: 1,3 l/min, maximální tlak: 210 barů
  • Kovová nádrž o objemu 1 l
  • Válec EPL30200ST, zdvih 200 mm
  • Lisovací síla: 1,4 tuny ve svislém směru, 360 kg při 15°.
  • Doba prodloužení: cca 6 s
  • Poznámka: Před použitím naplňte napájecí jednotku olejem.
  • Testováno a nastaveno na maximální provozní tlak
  • Při stavbě nebo přestavbě výtahu vždy dodržujte technické pokyny a bezpečnostní předpisy.
  • Další verze jsou k dispozici na vyžádání
Obsah balení
  • Napájecí jednotka
  • Jednočinný spouštěcí ventil je součástí jednotky
  • 1x zvedací válec EPL30200ST
  • 1x hydraulická hadice se spojkami, 1000 mm
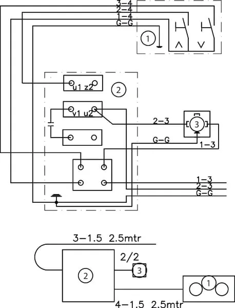
  • Ovládací panel, plně zapojený, každý kabel dlouhý 2500 mm
  • Přípojky
  • Není dodávána žádná napájecí zástrčka
  • Obecné pokyny pro údržbu a obsluhu
  • Prohlášení o shodě ES
  • Schéma zapojení
Objem nádrže 1 l
Jmenovitý objemový průtok 0,9 cm³/rev
Jmenovitý objemový průtok # 1,2 l/min
Výkon motoru 0,55 kW
Rychlost otáčení 1450 r/min

36 113,72 Kč s DPH

29 846,05 Kč bez DPH

Skladem