AgroBox

Motory Orbit Danfoss OMPW

Parametry produktu

Zvláštnosti
  • Robustní a kompaktní konstrukce
  • Velmi vysoké radiální zatížení hřídele
Použití
  • Pohony kol a navijáků
  • Vhodné pro dlouhodobý provoz za středního tlaku nebo krátkodobý provoz za vysokého tlaku
Vlastnosti
  • Vysoký náběhový točivý moment
  • S odvodem unikajícího oleje
  • Provedení rotoru
  • Široká kluzná ložiska hřídele
  • Odsazená montážní příruba
Technická informace
Možnost přímé montáže náboje kola
Výhody
  • Nízké nároky na místo
  • Provozně spolehlivý

Tento produkt má několik variant. Vyberte prosím konkrétní variantu z tabulky níže.

Dostupné varianty produktu

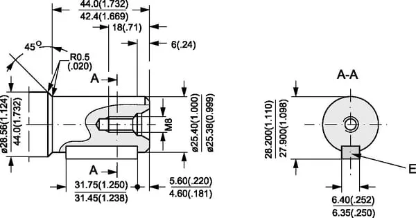
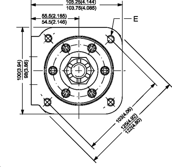
Produkt Košík Cena Výhody Značka Jednotka Max. výkon Typ hřídele Zvláštnosti Tvar příruby Typ těsnění L1Délka rotoru Zdvihový objem Průměr hřídele Originální číslo Technická informace Max. nejvyšší tlak Max. rychlost otáčení Min. rychlost otáčení DTyp závitu hlavního portu Míra maximálního průtoku Počet montážních otvorů Max. soustavný provozní tlak Max. soustavný točivý moment Max. střídavý provozní tlak DPrůměr závitu hlavního portu CTyp závitu vypouštěcího portu CPrůměr závitu vypouštěcího portu
Kolový motor, hřídel Ø1",průs.
Kolový motor, hřídel Ø1",průs.
OMPW1601517163
14 922,57 Kč 12 332,70 Kč bez DPH
  • Nízké nároky na místo
  • Provozně spolehlivý
White Kus 10 kW Přímý paralelní
  • Robustní a kompaktní konstrukce
  • Velmi vysoké radiální zatížení hřídele
Kolo Standardní 20,8 mm 160 cm³/rev 25 mm 1517163 Možnost přímé montáže náboje kola 225 BAR 385 r/min 9 r/min G 60 l/min 4 140 BAR 300 N·m 140 BAR 1/2 Inch G 1/4 Inch
Kolový motor, hřídel O25,průs.
Kolový motor, hřídel O25,průs.
OMPW2001517171
15 171,95 Kč 12 538,80 Kč bez DPH
  • Nízké nároky na místo
  • Provozně spolehlivý
White Kus 8 kW Přímý paralelní
  • Robustní a kompaktní konstrukce
  • Velmi vysoké radiální zatížení hřídele
Kolo Standardní 26 mm 200 cm³/rev 25 mm 1517171 Možnost přímé montáže náboje kola 225 BAR 310 r/min 7 r/min G 60 l/min 4 115 BAR 300 N·m 150 BAR 1/2 Inch G 1/4 Inch
Motor Danfoss OMPW200
Motor Danfoss OMPW200
OMPW2001517164
15 171,95 Kč 12 538,80 Kč bez DPH
  • Nízké nároky na místo
  • Provozně spolehlivý
White Kus 8 kW Přímý paralelní
  • Robustní a kompaktní konstrukce
  • Velmi vysoké radiální zatížení hřídele
Kolo Standardní 26 mm 200 cm³/rev 25 mm 1517164 Možnost přímé montáže náboje kola 225 BAR 310 r/min 7 r/min G 60 l/min 4 115 BAR 300 N·m 150 BAR 1/2 Inch G 1/4 Inch