AgroBox

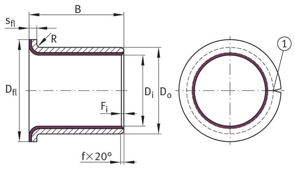
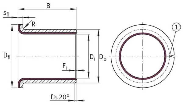
Ložiskové pouzdro typ EGF…E40 INA _

Parametry produktu

Popis výrobku
Sliding bushings EGF…E40 NB
Použití
Automobilní sektor
Vlastnosti
  • Bez nutnosti údržby
  • Neobsahuje olovo
Technická informace
Bezúdržbové, především pro chod nasucho. Bronzový hřbet.
Výhody
  • Malá potřeba místa pro montáž
  • Jednoduchá montáž
  • Nízká hodnota tření
  • Dobrá odolnost proti chemikáliím

Tento produkt má několik variant. Vyberte prosím konkrétní variantu z tabulky níže.

Dostupné varianty produktu

Produkt Košík Cena Druh Délka Značka Jednotka Výrobce Použití Vlastnosti Průměr závitu Průměr objímky Vnitřní průměr Vnější průměr Tloušťka objímky Technická informace Min. provozní teplota Maximální pracovní teplota Poloměr vnitřního okraje objímky Základní osová únosnost statická Základní osová únosnost dynamická
Bush 30x34x16mm
Bush 30x34x16mm
EGF30160E40BY
167,65 Kč 138,55 Kč bez DPH
Přírubové 16 mm INA Kus Schaeffler Automobilní sektor
  • Bez nutnosti údržby
  • Neobsahuje olovo
30 mm 42 mm 30 mm 34 mm 2 mm Bezúdržbové, především pro chod nasucho. Bronzový hřbet. -200 °C 280 °C 2 mm 62800 N 35200 N
Plain bearing 8x10x9.5mm
Plain bearing 8x10x9.5mm
EGF08095E40BY
29,32 Kč 24,23 Kč bez DPH
n/a 9,5 mm INA Kus Schaeffler Automobilní sektor
  • Bez nutnosti údržby
  • Neobsahuje olovo
8 mm 15 mm 8 mm 10 mm 1 mm Bezúdržbové, především pro chod nasucho. Bronzový hřbet. -200 °C 280 °C 1 mm 15900 N 8910 N