AgroBox

Ložiskové pouzdro SKF

Parametry produktu

Číslo položky 7500FY510M
EAN 7316570669725
Jednotka Kus
Značka SKF
Použití
  • Zemědělské stroje
  • Potravinářský průmysl
  • Interní dopravní zařízení
Vlastnosti
  • Volné ložiskové pouzdro
  • Vybaveno mazacím místem
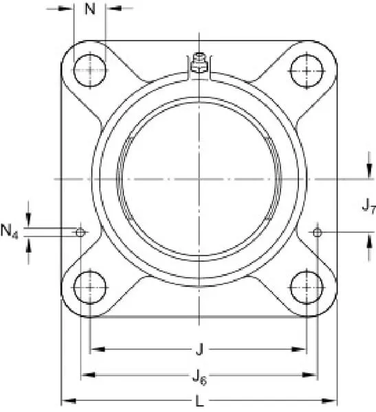
Typ pouzdra Čtyřhranná příruba
NMontážní průměr ložiska 90 mm
Délka pouzdra 143 mm
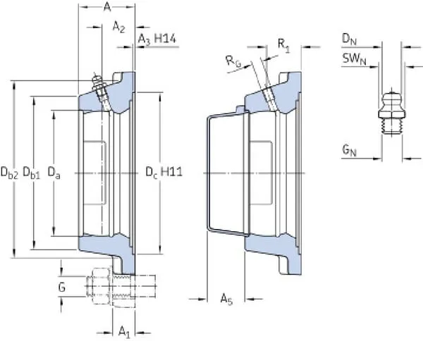
LŠířka pouzdra 43 mm
A2Šířka pouzdra v horní části 28 mm
Počet montážních otvorů 4
JVzdálenost montážních otvorů 111 mm
GVelikost šroubu 16 mm
Přimazávací Ano
J7Vzdálenost od středové maznice ke spodní části 28,5 mm
Povrchový materiál Litina
Originální číslo FY510M
Hmotnost 1,52 kg
A3Výška okraje 3,2 mm
Db2Vnější průměr základny 118 mm
Manufacturer Product ID FY 510 M

884,27 Kč s DPH

730,80 Kč bez DPH

Skladem