AgroBox

Ložiskové pouzdro

Parametry produktu

Číslo položky 7500FYJ518
EAN 7316570636949
Jednotka Kus
Značka SKF
Použití
  • Zemědělské stroje
  • Potravinářský průmysl
  • Interní dopravní zařízení
Vlastnosti
  • Volné ložiskové pouzdro
  • Vybaveno mazacím místem
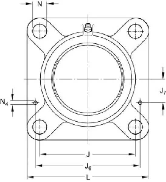
Typ pouzdra Čtyřhranná příruba
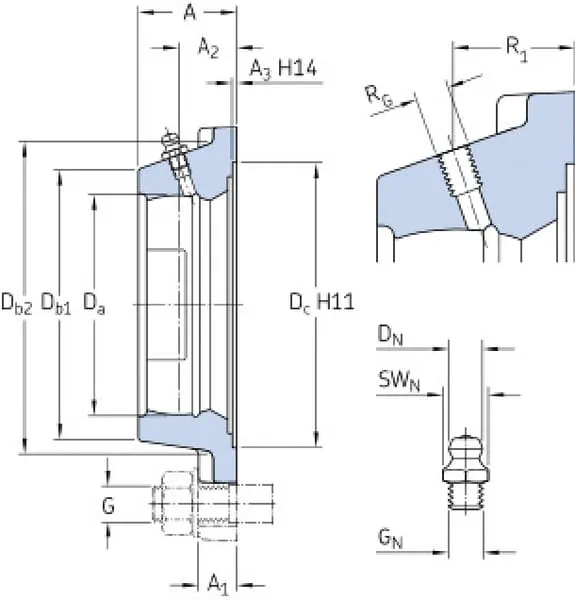
NMontážní průměr ložiska 160 mm
Délka pouzdra 235 mm
LŠířka pouzdra 63,5 mm
A2Šířka pouzdra v horní části 40 mm
Počet montážních otvorů 4
JVzdálenost montážních otvorů 187 mm
GVelikost šroubu 20 mm
Přimazávací Ano
J7Vzdálenost od středové maznice ke spodní části 40 mm
Povrchový materiál Litina
Originální číslo FYJ518
Hmotnost 6,51 kg
A3Výška okraje 3,2 mm
Db2Vnější průměr základny 201 mm
Manufacturer Product ID FYJ 518

9 424,21 Kč s DPH

7 788,60 Kč bez DPH

Skladem