AgroBox

Ložiskové pouzdro

Parametry produktu

Číslo položky 7500FYJ516
EAN 7316570141733
Jednotka Kus
Značka SKF
Použití
  • Zemědělské stroje
  • Potravinářský průmysl
  • Interní dopravní zařízení
Vlastnosti
  • Volné ložiskové pouzdro
  • Vybaveno mazacím místem
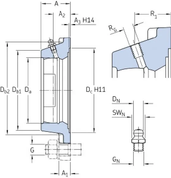
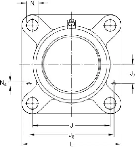
Typ pouzdra Čtyřhranná příruba
NMontážní průměr ložiska 140 mm
Délka pouzdra 208 mm
LŠířka pouzdra 54,5 mm
A2Šířka pouzdra v horní části 34 mm
Počet montážních otvorů 4
JVzdálenost montážních otvorů 165 mm
GVelikost šroubu 20 mm
Přimazávací Ano
J7Vzdálenost od středové maznice ke spodní části 34,5 mm
Povrchový materiál Litina
Originální číslo FYJ516
Hmotnost 4,4 kg
A3Výška okraje 3,2 mm
Db2Vnější průměr základny 171 mm
Manufacturer Product ID FYJ 516

6 958,71 Kč s DPH

5 751,00 Kč bez DPH

Skladem