AgroBox

Ložiskové pouzdro

Parametry produktu

Číslo položky 7500FYJ515
EAN 7316571080260
Jednotka Kus
Značka SKF
Použití
  • Zemědělské stroje
  • Potravinářský průmysl
  • Interní dopravní zařízení
Vlastnosti
  • Volné ložiskové pouzdro
  • Vybaveno mazacím místem
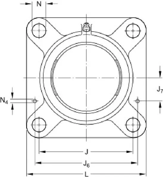
Typ pouzdra Čtyřhranná příruba
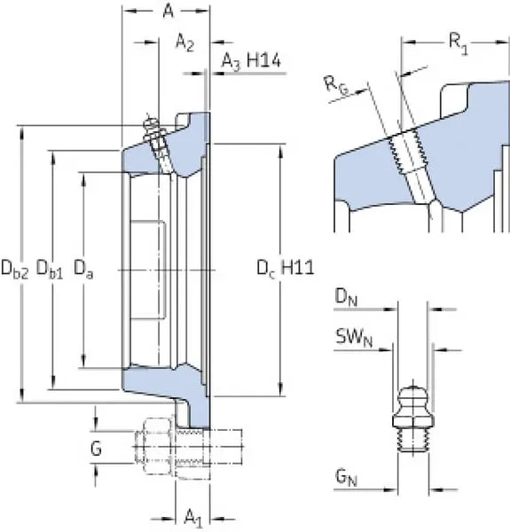
NMontážní průměr ložiska 130 mm
Délka pouzdra 200 mm
LŠířka pouzdra 53,5 mm
A2Šířka pouzdra v horní části 34 mm
Počet montážních otvorů 4
JVzdálenost montážních otvorů 159 mm
GVelikost šroubu 16 mm
Přimazávací Ano
J7Vzdálenost od středové maznice ke spodní části 35 mm
Povrchový materiál Litina
Originální číslo FYJ515
Hmotnost 4,16 kg
A3Výška okraje 3,2 mm
Db2Vnější průměr základny 166 mm
Manufacturer Product ID FYJ 515

8 669,53 Kč s DPH

7 164,90 Kč bez DPH

Skladem