AgroBox

Ložiskové pouzdro

Parametry produktu

Číslo položky 7500FYJ514
EAN 7316570957570
Jednotka Kus
Značka SKF
Použití
  • Zemědělské stroje
  • Potravinářský průmysl
  • Interní dopravní zařízení
Vlastnosti
  • Volné ložiskové pouzdro
  • Vybaveno mazacím místem
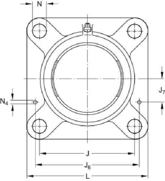
Typ pouzdra Čtyřhranná příruba
NMontážní průměr ložiska 125 mm
Délka pouzdra 193 mm
LŠířka pouzdra 50,5 mm
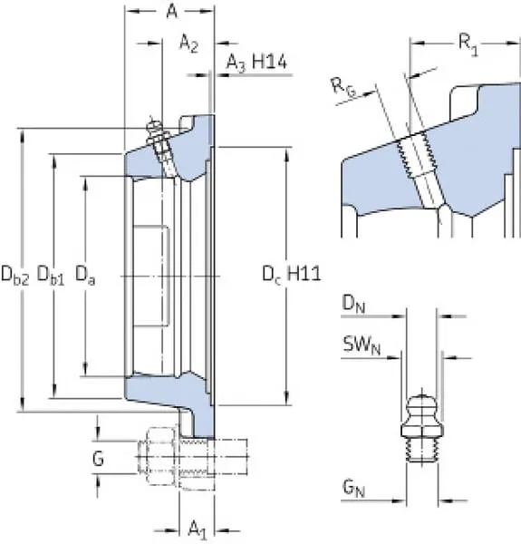
A2Šířka pouzdra v horní části 31 mm
Počet montážních otvorů 4
JVzdálenost montážních otvorů 152 mm
GVelikost šroubu 16 mm
Přimazávací Ano
J7Vzdálenost od středové maznice ke spodní části 32 mm
Povrchový materiál Litina
Originální číslo FYJ514
Hmotnost 3,89 kg
A3Výška okraje 3,2 mm
Db2Vnější průměr základny 163 mm
Manufacturer Product ID FYJ 514

3 227,80 Kč s DPH

2 667,60 Kč bez DPH

Skladem