AgroBox

Ložiskové pouzdro

Parametry produktu

Číslo položky 7500FYC510
EAN 7316570125344
Jednotka Kus
Značka SKF
Použití
  • Zemědělské stroje
  • Potravinářský průmysl
  • Interní dopravní zařízení
Vlastnosti
  • Volné ložiskové pouzdro
  • Vybaveno mazacím místem
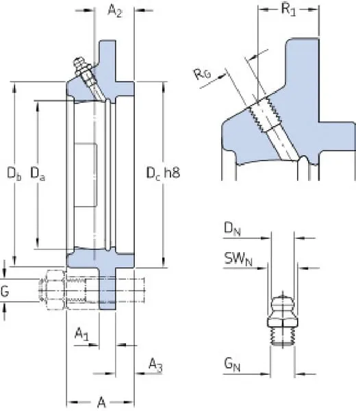
Typ pouzdra Kulatá příruba
Montážní průměr ložiska 90 mm
Délka pouzdra 165 mm
AŠířka pouzdra 39,5 mm
A2Šířka pouzdra v horní části 22 mm
Počet montážních otvorů 4
Průměr kruhu montážních otvorů/šroubů 138 mm
J1Vzdálenost montážních otvorů
  • 138 mm
  • 97,6 mm
GVelikost šroubu 14 mm
Přimazávací Ano
RgVzdálenost od středové maznice ke spodní části 22 mm
Povrchový materiál Litina
Originální číslo FYC510
Hmotnost 2,08 kg
A3Výška okraje 12 mm
Manufacturer Product ID FYC 510

1 760,91 Kč s DPH

1 455,30 Kč bez DPH

Skladem