AgroBox

Ložiskové pouzdro

Parametry produktu

Číslo položky 7500FYC509
EAN 7316570116489
Jednotka Kus
Značka SKF
Použití
  • Zemědělské stroje
  • Potravinářský průmysl
  • Interní dopravní zařízení
Vlastnosti
  • Volné ložiskové pouzdro
  • Vybaveno mazacím místem
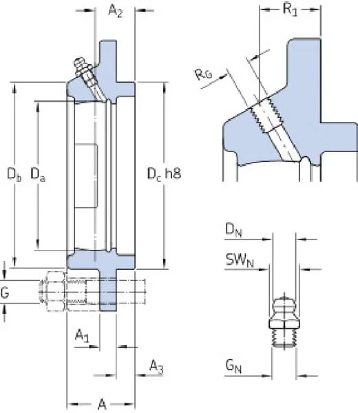
Typ pouzdra Kulatá příruba
Montážní průměr ložiska 85 mm
Délka pouzdra 160 mm
AŠířka pouzdra 37,5 mm
A2Šířka pouzdra v horní části 22 mm
Počet montážních otvorů 4
Průměr kruhu montážních otvorů/šroubů 132 mm
J1Vzdálenost montážních otvorů
  • 132 mm
  • 93,3 mm
GVelikost šroubu 14 mm
Přimazávací Ano
RgVzdálenost od středové maznice ke spodní části 21 mm
Povrchový materiál Litina
Originální číslo FYC509
Hmotnost 1,98 kg
A3Výška okraje 12 mm
Manufacturer Product ID FYC 509

2 329,37 Kč s DPH

1 925,10 Kč bez DPH

Skladem