AgroBox

Ložiskové pouzdro

Parametry produktu

Číslo položky 7500FYC508
EAN 7316570259766
Jednotka Kus
Značka SKF
Použití
  • Zemědělské stroje
  • Potravinářský průmysl
  • Interní dopravní zařízení
Vlastnosti
  • Volné ložiskové pouzdro
  • Vybaveno mazacím místem
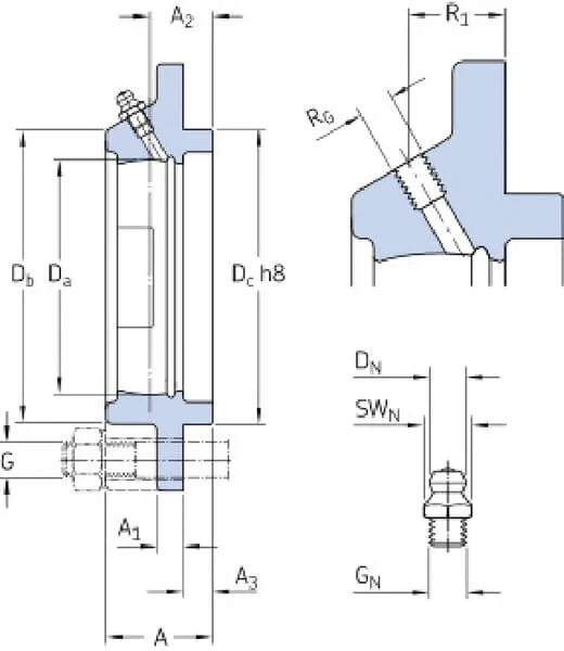
Typ pouzdra Kulatá příruba
Montážní průměr ložiska 80 mm
Délka pouzdra 145 mm
AŠířka pouzdra 35,5 mm
A2Šířka pouzdra v horní části 21 mm
Počet montážních otvorů 4
Průměr kruhu montážních otvorů/šroubů 120 mm
J1Vzdálenost montážních otvorů
  • 120 mm
  • 84,9 mm
GVelikost šroubu 12 mm
Přimazávací Ano
RgVzdálenost od středové maznice ke spodní části 17 mm
Povrchový materiál Litina
Originální číslo FYC508
Hmotnost 1,28 kg
A3Výška okraje 10 mm
Manufacturer Product ID FYC 508

1 061,78 Kč s DPH

877,50 Kč bez DPH

Skladem