AgroBox

Ložiskové pouzdro

Parametry produktu

Číslo položky 7500FYC507
EAN 7316570500684
Jednotka Kus
Značka SKF
Použití
  • Zemědělské stroje
  • Potravinářský průmysl
  • Interní dopravní zařízení
Vlastnosti
  • Volné ložiskové pouzdro
  • Vybaveno mazacím místem
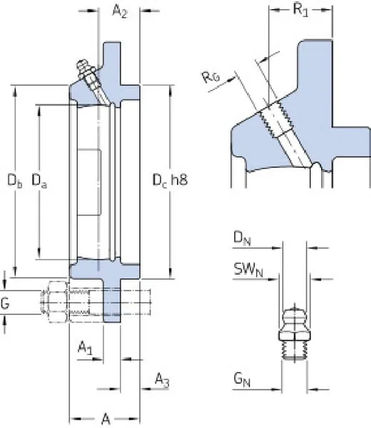
Typ pouzdra Kulatá příruba
Montážní průměr ložiska 72 mm
Délka pouzdra 135 mm
AŠířka pouzdra 33,5 mm
A2Šířka pouzdra v horní části 19 mm
Počet montážních otvorů 4
Průměr kruhu montážních otvorů/šroubů 110 mm
J1Vzdálenost montážních otvorů
  • 110 mm
  • 77,8 mm
GVelikost šroubu 12 mm
Přimazávací Ano
RgVzdálenost od středové maznice ke spodní části 17 mm
Povrchový materiál Litina
Originální číslo FYC507
Hmotnost 1,14 kg
A3Výška okraje 8 mm
Manufacturer Product ID FYC 507

951,79 Kč s DPH

786,60 Kč bez DPH

Skladem