AgroBox

Ložiskové pouzdro

Parametry produktu

Číslo položky 7500FYC506
EAN 7316570754841
Jednotka Kus
Značka SKF
Použití
  • Zemědělské stroje
  • Potravinářský průmysl
  • Interní dopravní zařízení
Vlastnosti
  • Volné ložiskové pouzdro
  • Vybaveno mazacím místem
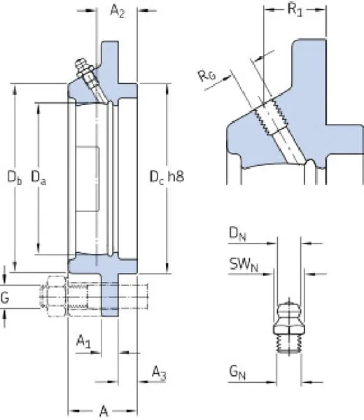
Typ pouzdra Kulatá příruba
Montážní průměr ložiska 62 mm
Délka pouzdra 125 mm
AŠířka pouzdra 31 mm
A2Šířka pouzdra v horní části 18 mm
Počet montážních otvorů 4
Průměr kruhu montážních otvorů/šroubů 100 mm
J1Vzdálenost montážních otvorů
  • 100 mm
  • 70,7 mm
GVelikost šroubu 10 mm
Přimazávací Ano
RgVzdálenost od středové maznice ke spodní části 16,5 mm
Povrchový materiál Litina
Originální číslo FYC506
Hmotnost 0,96 kg
A3Výška okraje 8 mm
Manufacturer Product ID FYC 506

841,80 Kč s DPH

695,70 Kč bez DPH

Skladem