AgroBox

Ložiskové pouzdro

Parametry produktu

Číslo položky 7500FYC505
EAN 7316570514384
Jednotka Kus
Značka SKF
Použití
  • Zemědělské stroje
  • Potravinářský průmysl
  • Interní dopravní zařízení
Vlastnosti
  • Volné ložiskové pouzdro
  • Vybaveno mazacím místem
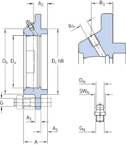
Typ pouzdra Kulatá příruba
Montážní průměr ložiska 52 mm
Délka pouzdra 115 mm
AŠířka pouzdra 27 mm
A2Šířka pouzdra v horní části 16 mm
Počet montážních otvorů 4
Průměr kruhu montážních otvorů/šroubů 90 mm
J1Vzdálenost montážních otvorů
  • 90 mm
  • 63,6 mm
GVelikost šroubu 10 mm
Přimazávací Ano
RgVzdálenost od středové maznice ke spodní části 16 mm
Povrchový materiál Litina
Originální číslo FYC505
Hmotnost 0,76 kg
A3Výška okraje 6 mm
Manufacturer Product ID FYC 505

1 152,16 Kč s DPH

952,20 Kč bez DPH

Skladem