AgroBox

Ložiskové pouzdro

Parametry produktu

Číslo položky FYTJ506
EAN 7316571141077
Jednotka Kus
Značka SKF
Použití
  • Zemědělské stroje
  • Potravinářský průmysl
  • Interní dopravní zařízení
Vlastnosti
  • Volné ložiskové pouzdro
  • Vybaveno mazacím místem
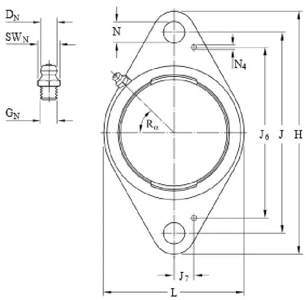
Typ pouzdra Oválná příruba
Montážní průměr ložiska 62 mm
HDélka pouzdra 80 mm
AŠířka pouzdra 30,5 mm
A2Šířka pouzdra v horní části 18 mm
Počet montážních otvorů 2
JVzdálenost montážních otvorů 117 mm
GVelikost šroubu 14 mm
Přimazávací Ano
R1Vzdálenost od středové maznice ke spodní části 19 mm
Povrchový materiál Litina
Originální číslo FYTJ506
Hmotnost 0,59 kg
A3Výška okraje 3,2 mm
Db2Vnější průměr základny 80 mm
Manufacturer Product ID FYTJ 506

1 247,99 Kč s DPH

1 031,40 Kč bez DPH

Skladem