AgroBox

Ložiskové pouzdro

Parametry produktu

Číslo položky FYTJ504
EAN 7316570450569
Jednotka Kus
Značka SKF
Použití
  • Zemědělské stroje
  • Potravinářský průmysl
  • Interní dopravní zařízení
Vlastnosti
  • Volné ložiskové pouzdro
  • Vybaveno mazacím místem
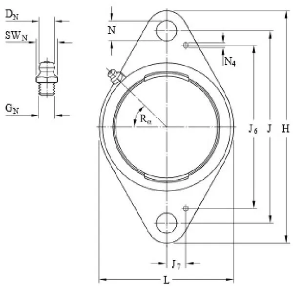
Typ pouzdra Oválná příruba
Montážní průměr ložiska 47 mm
HDélka pouzdra 60 mm
AŠířka pouzdra 25,5 mm
A2Šířka pouzdra v horní části 15 mm
Počet montážních otvorů 2
JVzdálenost montážních otvorů 90 mm
GVelikost šroubu 10 mm
Přimazávací Ano
R1Vzdálenost od středové maznice ke spodní části 16,5 mm
Povrchový materiál Litina
Originální číslo FYTJ504
Hmotnost 0,29 kg
A3Výška okraje 3,2 mm
Db2Vnější průměr základny 60 mm
Manufacturer Product ID FYTJ 504

851,60 Kč s DPH

703,80 Kč bez DPH

Skladem