AgroBox

Ložiskové pouzdro

Parametry produktu

Číslo položky FYJ520
EAN 7316571170169
Jednotka Kus
Značka SKF
Použití
  • Zemědělské stroje
  • Potravinářský průmysl
  • Interní dopravní zařízení
Vlastnosti
  • Volné ložiskové pouzdro
  • Vybaveno mazacím místem
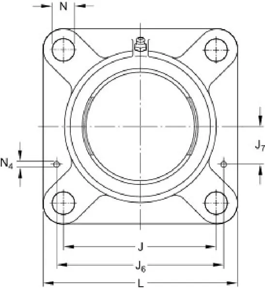
Typ pouzdra Čtyřhranná příruba
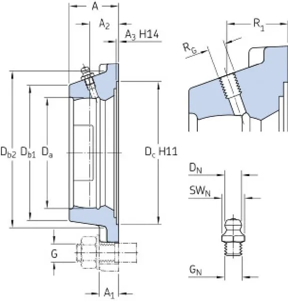
Montážní průměr ložiska 180 mm
HDélka pouzdra 265 mm
AŠířka pouzdra 70 mm
A2Šířka pouzdra v horní části 44 mm
Počet montážních otvorů 4
JVzdálenost montážních otvorů 210 mm
GVelikost šroubu 24 mm
Přimazávací Ano
R1Vzdálenost od středové maznice ke spodní části 43 mm
Povrchový materiál Litina
Originální číslo FYJ520
Hmotnost 8,8 kg
A3Výška okraje 3,2 mm
Db2Vnější průměr základny 221 mm
Manufacturer Product ID FYJ 520

11 267,88 Kč s DPH

9 312,30 Kč bez DPH

Skladem