AgroBox

Ložiskové pouzdro

Parametry produktu

Číslo položky FYJ512
EAN 7316570444131
Jednotka Kus
Značka SKF
Použití
  • Zemědělské stroje
  • Potravinářský průmysl
  • Interní dopravní zařízení
Vlastnosti
  • Volné ložiskové pouzdro
  • Vybaveno mazacím místem
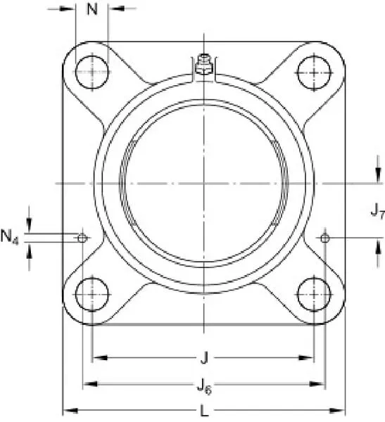
Typ pouzdra Čtyřhranná příruba
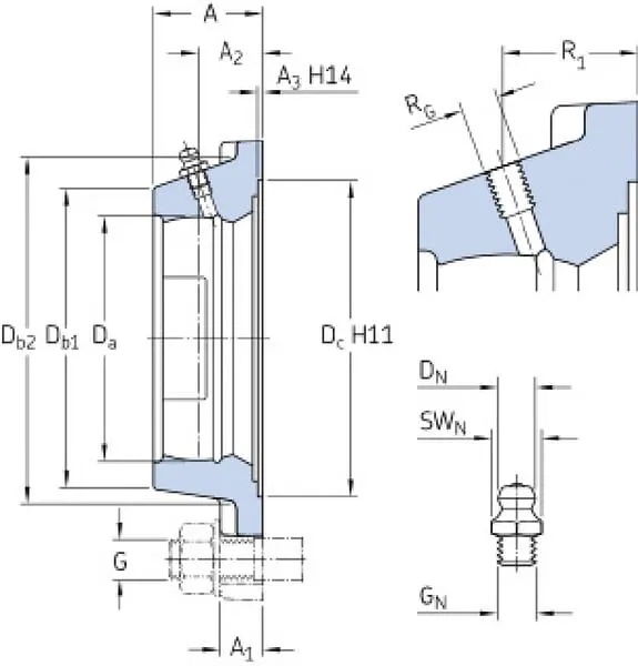
Montážní průměr ložiska 110 mm
HDélka pouzdra 175 mm
AŠířka pouzdra 48 mm
A2Šířka pouzdra v horní části 29 mm
Počet montážních otvorů 4
JVzdálenost montážních otvorů 143 mm
GVelikost šroubu 16 mm
Přimazávací Ano
R1Vzdálenost od středové maznice ke spodní části 28,5 mm
Povrchový materiál Litina
Originální číslo FYJ512
Hmotnost 2,76 kg
A3Výška okraje 3,2 mm
Db2Vnější průměr základny 140 mm
Manufacturer Product ID FYJ 512

3 236,69 Kč s DPH

2 674,95 Kč bez DPH

Skladem