AgroBox

Ložiskové pouzdro

Parametry produktu

Číslo položky FYJ511
EAN 7316570053425
Jednotka Kus
Značka SKF
Použití
  • Zemědělské stroje
  • Potravinářský průmysl
  • Interní dopravní zařízení
Vlastnosti
  • Volné ložiskové pouzdro
  • Vybaveno mazacím místem
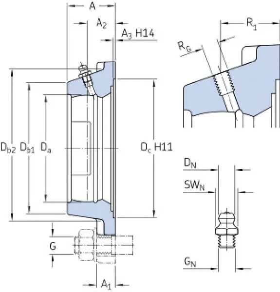
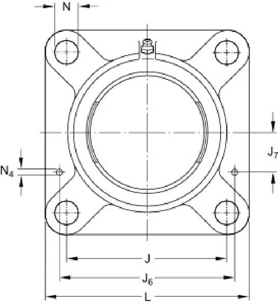
Typ pouzdra Čtyřhranná příruba
Montážní průměr ložiska 100 mm
HDélka pouzdra 162 mm
AŠířka pouzdra 43 mm
A2Šířka pouzdra v horní části 25 mm
Počet montážních otvorů 4
JVzdálenost montážních otvorů 130 mm
GVelikost šroubu 16 mm
Přimazávací Ano
R1Vzdálenost od středové maznice ke spodní části 25 mm
Povrchový materiál Litina
Originální číslo FYJ511
Hmotnost 2,29 kg
A3Výška okraje 3,2 mm
Db2Vnější průměr základny 130 mm
Manufacturer Product ID FYJ 511

2 869,52 Kč s DPH

2 371,50 Kč bez DPH

Skladem